NCN8026
Smart Card Interface, Low Power
制造商:ON
产品信息
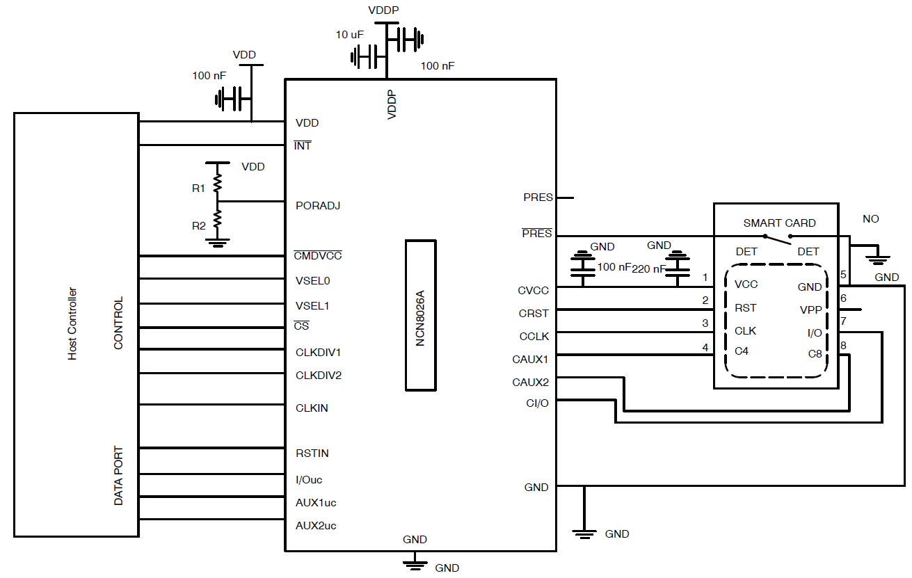
The NCN8026A is a compact and cost-effective single SIM and smart card interface IC. It can be used with 1.8 V, 3 V and 5 V IC cards. The card VCC supply is provided by a built-in very low drop-out and low noise Regulator. The NCN8026A offers enhanced performances with low VCC output ripple under load-transient conditions, very low shutdown current and 1.8 V-to-5 V logic compatibility. This device is fully compatible with the ISO 7816-3, EMV 4.2, UICC and related standards including STB standards (Nagravision, Irdeto, Conax...). It satisfies the requirements specifying conditional access into Set-Top-Boxes (STB) or Conditional Access Modules (CAM). This smart card interface IC is available in a QFN-24 package providing all the industry-standard features usually required for STB smart card interface.
- Single IC Card Interface
- Fully Compatible with ISO7816-3, EMV4.3, UICC and Related Standards Including STB Standards (Nagravision, Conax, Irdeto...)
- Three Bidirectional Buffered I/O Level Shifters (C4, C7 and C8)
- 1.8 V, 3 V or 5 V ±5 % Regulated Card Power Supply with ICC ≤ 80 mA and Low VCC Ripple
- Regulator Power Supply: VDDP = 2.7 V to 5.5 V (@ 1.8 V), 3 V to 5.5 V (@ 3 V) and 4.85 V to 5.5 V (@ 5 V)
- Independent Power Supply range on Controller Interface such as VDD = 1.6 V to 5.5 V
- Handles Class A, B and C Smart Cards
- Support up to 27 MHz input Clock with Internal Division Ratio 1/1, 1/2, 1/4 and 1/8 through CLKDIV1 and CLKDIV2
- HBM (Human Body Model) ESD Protection on Card Pins up to +8 kV
- Activation / Deactivation Sequences (ISO7816 Sequencer)
- Fault Protection Mechanisms Enabling Automatic Device Deactivation in Case of Overload, Overheating, Card Takeoff or Power Supply Dropout(OCP, OTP, UVP)
- Interrupt Signal INT for Card Presence and Faults
- Chip Select Pin (CS) for Dual Card Operating
- External UnderVoltage Lockout Threshold Adjustment on VDD (PORADJ Pin)
电路图、引脚图和封装图
在线购买
型号:NCN8026AMNTXG
描述:-
技术资料
应用案例
Vishay推出两款新型光耦 由GaAs红外LED组成
2019-03-17
PT8026电容式触摸控制ASIC概述及主要特性
2022-07-05
NS4814 单声道 AB/D 类音频功率放大器(内置 BOOST 升压和 NCN 功能)
2024-10-31
PT8026S电容式触摸控制ASIC产品概述、主要特性及功能介绍
2022-06-02
探索 onsemi NCN26010BMNEVB:10BASE - T1S 电源与适配器板的技术魅力
2025-12-05
探索onsemi NCN26010XMNEVB评估板:10BASE - T1S MACPHY的理想之选
2025-12-05
NS4258 5.0Wx2 双声道 AB/D 类双模音频功率放大器附加 NCN 模式
2024-10-18
基于AN8026控制芯片的变频器电源设计方案
2014-03-04


