NCN8025
Smart Card Interface
制造商:ON
产品信息
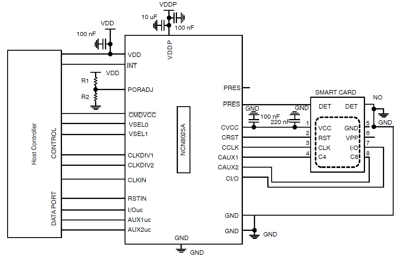
The NCN8025/NCN8025A is a compact and cost effective single smart card interface. It is dedicated for 1.8 V / 3.0 V / 5.0 V smart card reader/writer applications. The card VCC supply is provided by a built in very low dropout and low noise LDO. The device is fully compatible with the ISO 7816-3, EMV 4.3, UICC and related standards including NDS and other STB standards (Nagravision, Irdeto...). It satisfies the requirements specifying conditional access into Set Top Boxes (STB) or Conditional Access Modules (CAM and CAS). This smart card interface IC is available in a QFN-24 package (NCN8025A) providing all of the industry standard features usually required for STB smart card interface. It is also offered in a very compact package profile, QFN-16 (NCN8025), satisfying the requirements of cost efficiency and space saving requested by CAM and SIM applications. For details regarding device implementation refer to the application note AND8003 available under request (please contact local sales office or representative).
- Fully compatible with ISO-7816-3, EMV4.3, UICC and related standards including NDS and other STB standards (Nagravision, Irdeto ...)
- 3 Bidirectional Buffered I/O Level Shifters (C4, C7 and C8)(QFN-24)- 1 Bidirectional I/O Level Shifter (C7)for the QFN-16 compact version
- 1.8V, 3.0V or 5.0V +/- 5% Regulated Card Power Supply such as ICC ≤ 70 mA
- Regulator Power Supply: VDDP = 2.7V to 5.5V (@1.8V), 3.0V to 5.5V (@3.0V) & 4.85V to 5.5V (@5.0V)
- Independent Power Supply on Controller Interface: VDD = 2.7V to 5.5V
- Handle Class A, B & C smart cards
- Short Circuit Protection on all Card Pins
- Support up to 27 MHz input clock with internal division ratio 1/1, 1/2, 1/4, 1/8 through CLKDIV1 & CLKDIV2
- ESD Protection on Card Pins up to +8kV (Human Body Model)
- Activation/Deactivation Sequence (ISO7816 Sequencer)
- Fault Protection Mechanisms Enabling Automatic Device Deactivation in case of Overload, Overheating, Card Take-Off or Power Supply Drop-out (OCP, OTP, UVP)
- Interrupt Signal /INT for card presence and faults
- External Undervoltage Lockout Threshold adjustment on VDD (PORADJ pin) (Except QFN-16)
电路图、引脚图和封装图
技术资料
应用案例
YSN8025TS:光伏逆变器高精度RTC计时方案
2026-01-14
芯原股份助力杰发科技AC8025智能座舱SoC,加速汽车智能化进程
2024-08-15
FS8025B是一款支持同步PD/QC诱骗芯片
2023-03-14
嵌入式AI快讯:移植ncnn到RISC-V TF Object Detection支持TF2
2020-12-23
走进一汽红旗丨四维图新旗下杰发科技AC8025智能座舱方案受关注
2023-08-31
四维图新旗下杰发科技AC8025正式量产
2024-07-17
爱普生时钟芯片RX8025T UB和RX8025T UC的异同
2024-06-14
英创信息技术工控主板扩展高精度时钟方案(WinCE)简介
2020-02-12


