NCN8024R
Smart Card Interface
制造商:ON
产品信息
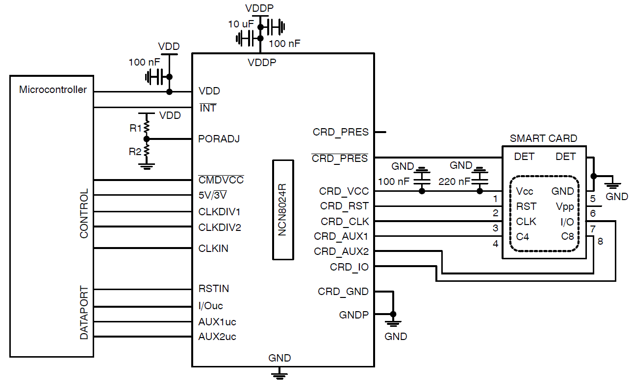
The NCN8024R is a single smart card interface IC. It is dedicated for 3.0V/5.0V smart card reader/writer applications. The card VCC supply is provided by a very low drop-out and low noise regulator (LDO). The device is fully compatible with the ISO7816-3 and EMV standards as well as with standards specifying conditional access in Set-Top-Box (STB) including NDS. The smart card interface IC is available in an SOIC-28 package providing the industry-standard features required by STB smart card interfaces.
- Fully Compatible with ISO7816-3, EMV and Related STB standards including NDS
- Three bidirectional buffered I/O level shifters (C4, C7 and C8 card pins)
- 3.0 V or 5.0 V ±5% Regulated Card Power Supply such as ICC ≤ 70 mA with 3.0 V ≤ VDDP ≤ 5.5V at 3.0 V (Class B) and 4.85 V ≤ VDDP ≤ 5.5V at 5.0 V (Class A)
- Independent Power Supply on Controller Interface (2.7 V ≤ VDD ≤ 5.5 V)
- Handles 5.0 V and 3.0 V Smart Cards (Class A and B)
- Support up to 27 MHz Clock with Internal Division Ratio 1/1, 1/2, 1/4 and 1/8 through CLKDIV1 and CLKDIV2 Pins
- ESD Protection up to ± 8 kV HBM
- Activation / Deactivation Sequences (ISO7816)
- Fault Protection Mechanisms Enabling Automatic Device Deactivation in Case of Overload, Overheating, Card Take-off or Power Supply Drop-Out (OCP, OTP, UVP)
- Interrupt Signal INTb for Card Presence and Faults
- External Under-Voltage Lockout Threshold Adjustment on VDD (PORADJ Pin)
电路图、引脚图和封装图
在线购买
型号:NCN8024RDWR2G
描述:-
应用案例
探索 onsemi NCN26010BMNEVB:10BASE - T1S 电源与适配器板的技术魅力
2025-12-05
探索onsemi NCN26010XMNEVB评估板:10BASE - T1S MACPHY的理想之选
2025-12-05
贸泽电子备货安森美NCN26010以太网控制器 减少布线和成本
2023-07-04
佰维再获NCN-ICT峰会大奖——2022年度领先闪存厂商
2023-06-26
DS8024智能卡接口技术手册
2025-05-22
在Minitab中进行扩展量具R&R研究
2022-07-04
TYPE-C转DC转接头方案FS8024A支持9V、12V、15V、20V电压输出
2023-07-26
安森美半导体推出业界首款3:1高速USB开关-NCN1188
2011-08-18


