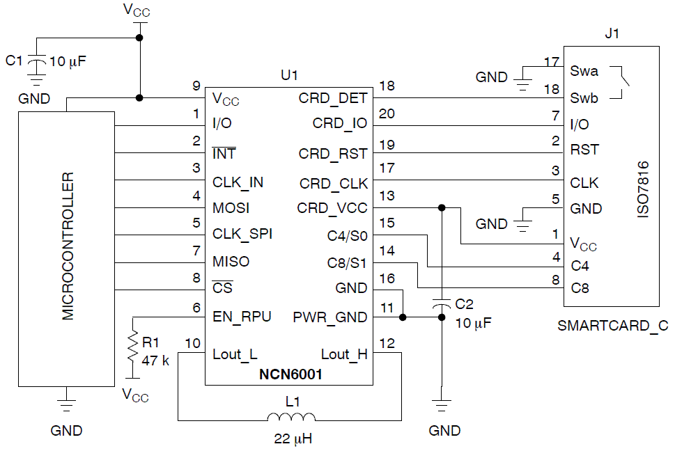
NCN6001
Smart Card Interface
制造商:ON
产品信息
The NCN6001 is an integrated circuit dedicated to the smart card interface applications. The device handles any type of smart card through a simple and flexible micro controller interface. On top of that, thanks to the built in chip select pin, several couplers can be connected in parallel.The device is particularly suited for low cost, low power applications,with high extended battery life coming from extremely low quiescent current.
- 100% compatible with ISO 7816-3,EMV and GIE-CB standards
- Fully GSM Compliant
- Wide battery supply voltage range : 2.7
- Programmable CRD_VCC supply handles 1.8V, 3V or 5V card operation.
- Programmable rise and fall card clock slopes
- Programmable card clock divider
- Built-in Chip Select logic allows parallel coupling operation
- ESD protection on card pins ( 8 kV, Human Body Model )
- Supports up to 40 MHz input Clock
- Built-in programmable CRD_CLK stop function handles Run or Low state.
- Programmable CRD_CLK slopes to cope with wide operating frequency range
- Fast CRD_VCC turn-on & turn-offsequence


