NCN5120
KNX Transceiver for Twisted Pair Networks
制造商:ON
产品信息
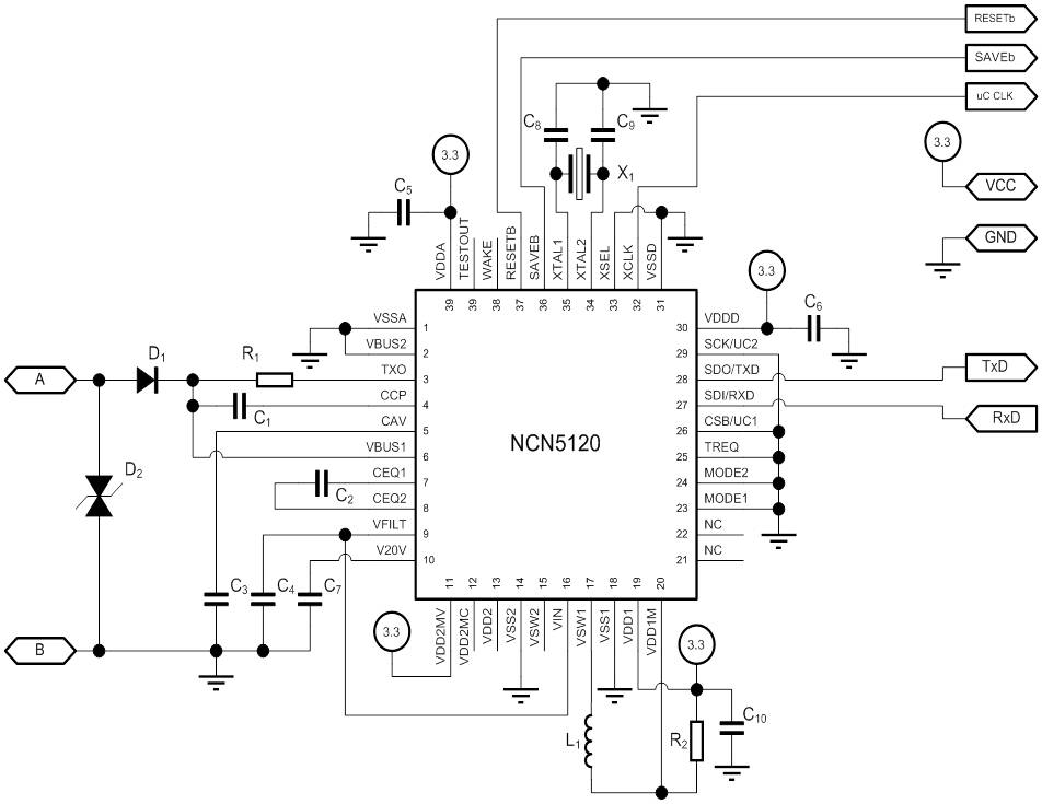
The NCN5120 is the first IC from ON Semiconductor's family of KNX transceivers, handling the transmission and reception of data on the bus. It integrates a 20 V regulator and two high efficient DC-DC converters generating a fixed 3.3 V and a selectable 3.3 to 21 V regulated voltage from the bus with 100 mA drive capability each. This transceiver is ideal for high power applications and has been designed to reduce the bill of materials while supporting safe and reliable coupling to the bus thanks to features such as selectable current slope, bus voltage and temperature monitoring.
- KNX certified EIB transceiver with embedded PHY and MAC layers (TP1-256)
- KNX communication speed of 9600 Bauds
- Two high efficient DC-DC converters generating board supply:
- - DC-DC1 : fixed 3.3 V
- - DC-DC2 : adjustable between 3.3 and 21 V
- 20 V linear regulator
- Configurable fan-in model (up to 2 virtual nodes) and current slopes
- Supervision of KNX bus voltage
- Control and monitoring of the DC-DC converters
- Configurable amount of repetition
- Buffering of sent data frames
- Optional auto acknowledge
- Supports Analog Mode
- Supports Sleep Mode
- Selectable UART/SPI interfaceandbaud rate to Host Controller
- Comprehensive clocking system
- - Operates with industry standard low cost 16 MHz quartz
- - Can generate 8/16 MHz clock for the external MCU
- Operating temperature range -25 C to +85 C
- Household appliances
电路图、引脚图和封装图
在线购买
型号:NCN5120MNTWG
描述:-
技术资料
应用案例
研华IPC-5120 桌面/壁挂式机箱 MicroATX母板前置 I/O 接口支持2代-9代智能处理器
2022-06-02
NS4258 5.0Wx2 双声道 AB/D 类双模音频功率放大器附加 NCN 模式
2024-10-18
思瑞浦发布汽车级16通道12位SAR ADC—TPC5120Q -贞光科技代理
2023-03-13
研华IPC-5120 桌面/壁挂式机箱 MicroATX母板前置 I/O 接口支持2代-9代智能处理器
2022-06-02
NCN26010 10Base-T1S器件配置指南(2)
2024-11-14
研华IPC-5120 桌面/壁挂式机箱 MicroATX母板前置 I/O 接口支持2代-9代智能处理器
2022-06-02
NCN26010 10Base-T1S器件配置指南(1)
2024-11-14
GE将打造欧洲最大的室内农场,首批作物生产预计将于今年秋季开始
2018-08-01

