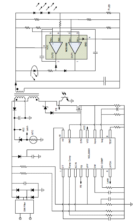
NCL30001
单级功率因数校正高能效LED驱动器
制造商:ON
产品信息
NCL30001是一款开关电源控制器,用于大中功率单级功率因数校正的隔离型反激LED驱动器。它采用连续导通模式(CCM)控制技术,以确保在宽范围的输入电压和输出功率提供接近1的功率因数。
- Frequency Jittering
- Brown Out Detector
- High Accuracy Multiplier
- Voltage Feedforward
- Independent Latch-off input
- Adjustable Operating Frequency from 20-250 kHz
- Internal 160 msec Fault Timer
- Fixed Frequency Average Current Mode Control
电路图、引脚图和封装图
在线购买
型号:NCL30001DR2G
描述:-


