MP45DT02
微机电音频传感器全方位数字麦克风
制造商:
产品信息
The MP45DT02 is a compact, low-power, top-port, omnidirectional, digital MEMS microphone. The MP45DT02 is built with a sensing element and an IC interface with stereo capability.
The sensing element, capable of detecting acoustic waves, is manufactured using a specialized silicon micromachining process to produce audio sensors.
The IC interface is manufactured using a CMOS process that allows designing a dedicated circuit able to provide a digital signal externally in PDM format.
The MP45DT02 has an acoustic overload point of 120 dBSPL with a best on the market 61 dB signal-to-noise ratio and -26 dB sensitivity.
The MP45DT02 is available in an SMD-compliant package metal (M) or plastic and is guaranteed to operate over an extended temperature range from -30 °C to +85 °C.
The MP45DT02’s digital output and package size (1.25 mm thick) make this device the best solution for laptop and portable computing applications.
mp45dt02这是一个紧凑,低功耗,最大港口,全方位、数字MEMS麦克风。的mp45dt02与传感元件和一个集成电路接口构建立体的能力。
传感元件,能够检测声波,是使用一种专门的硅微机械加工工艺制造的音频传感器制造。
IC接口是使用CMOS工艺,设计专用的电路能够提供外部PDM格式数字信号制作。
有120的mp45dt02 dBSPL与市场上最好的61 dB的信噪比和26分贝的灵敏度声学超载点。
的mp45dt02在SMD标准封装的金属是可用的(M)或塑料,是保证工作在扩展的温度范围从- 30°C + 85°C.
的mp45dt02数字输出和封装尺寸(1.25毫米厚)使这个装置的笔记本电脑和便携式计算应用的最佳解决方案。
Key Features
Single supply voltage
Low power consumption
120 dBSPL acoustic overload point
Omnidirectional sensitivity
PDM single-bit output with option for stereo configuration
HLGA package (SMD-compliant) plastic or metal
ECOPACK®,RoHS, and “Green” compliant
主要特点
单电源电压
低功耗
120 dBSPL声学超载点
全方位灵敏度
PDM单点输出的立体声配置选项
hlga封装(SMD标准)塑料或金属
®Ecopack,ROHS,和“绿色”标准
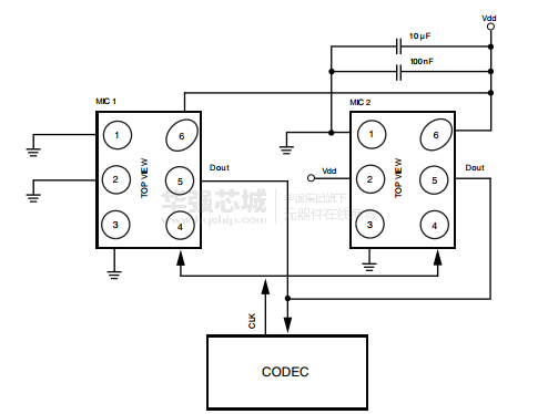
电路图、引脚图和封装图
技术资料
应用案例
深圳鸿合智远 DT-38,DT-381/2024-10-29
东芝DT02-V监控硬盘守护SMB安全,助力SMB市场实现高清化
2021-01-20
ST推出新款数字MEMS麦克风MP34DB01和MP45DT02
2009-12-14
“dv/dt”和“di/dt”值:这些值的水平对固态继电器有什么影响?
2023-02-21
ST推出全新MEMS拾音孔顶置麦克风MP34DT01
2009-12-14
基于HF0500和MP6907的笔记本电脑和手机45w type c适配器应用方案
2009-12-14
纽曼T02开关电源适配器LA-300电路原理图
2009-12-14
东芝DT02-V系列监控硬盘介绍
2020-03-17



