MP33AB01H
采用模拟量输出的音频表面贴装底部端口硅麦克风
制造商:
产品信息
The MP33AB01H is a compact, low-power microphone built with a low-profile sensing element.
The sensing element, capable of detecting acoustic waves, is manufactured using a specialized silicon micromachining process to produce audio sensors.
The MP33AB01H has an acoustic overload point of 125 dBSPL with a 66 dB signal-to-noise ratio.
The MP33AB01H is available in a package compliant with reflow soldering and is guaranteed to operate over an extended temperature range from -30 °C to +100 °C.
这mp33ab01h是一个紧凑,低功耗的麦克风以低姿态传感元件的建立。
传感元件,能够检测声波,是使用一种专门的硅微机械加工工艺制造的音频传感器制造。
有125的mp33ab01h dBSPL与66 dB的信噪比声学超载点。
的mp33ab01h可在一个包装符合回流焊接,保证工作在扩展温度范围从- 30°C + 100°C.
Key Features
Single supply voltage
Low power consumption
Omnidirectional sensitivity
High signal-to-noise ratio
High bandwidth
Package compliant with reflow soldering
主要特点
单电源电压
低功耗
全方位灵敏度
高信噪比
高带宽
回流焊封装
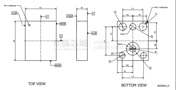
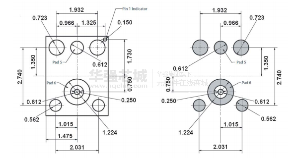
电路图、引脚图和封装图
应用案例
全志a33处理器性能怎么样_全志a33处理器评测_全志a33什么水平
2018-01-11
Vishay的IHSR-1616AB-01荣获电子工业奖“年度最佳产品”提名
2019-06-07
耳机放大器架构设置全新解决方案
2012-06-08
WT2003H0-16S语音芯片MP3音频播放在低频按摩仪中的应用介绍
2023-12-08
分享拥有指数调光和Flash的MPS公司的MP3313产品的性能介绍和应用
2019-10-11
【FPGA ZYNQ Ultrascale+ MPSOC教程】33.BRAM实现PS与PL交互
2021-02-22
常见的网线AB接法怎么接
2023-10-19
S7-1500/ET200MP热电偶补偿方式及组态配置
2023-08-18



