MP23AB02B
高性能模拟底口麦克风
制造商:
产品信息
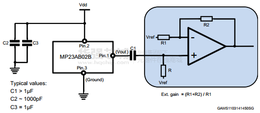
The MP23AB02B is a compact, low-power microphone built with a low-profile sensing element.
The sensing element, capable of detecting acoustic waves, is manufactured using a specialized silicon micromachining process to produce audio sensors.
The MP23AB02B has an acoustic overload point of 125 dBSPL with a 64dB signal-to-noise ratio.
The MP23AB02B is available in a package compliant with reflow soldering and is guaranteed to operate over an extended temperature range from -40 °C to +85 °C.
这mp23ab02b是一个紧凑,低功耗的麦克风以低姿态传感元件的建立。
传感元件,能够检测声波,是使用一种专门的硅微机械加工工艺制造的音频传感器制造。
有125的mp23ab02b dBSPL与信噪比的声学超载点64dB。
的mp23ab02b可在一个包装符合回流焊接,保证工作在扩展温度范围从- 40°C + 85°C.
Key Features
Single supply voltage operation
Low power consumption
Omnidirectional sensitivity
High signal-to-noise ratio
High bandwidth
Package compliant with reflow soldering
主要特点
单电源电压操作
低功耗
全方位灵敏度
高信噪比
高带宽
回流焊封装



