MMA7455
MMA7455 数字输出加速器
制造商:
产品信息
MMA745xL系列是具备数字输出的(I²C/SPI)、低功耗、紧凑型电容式微机械加速度传感器,提供信号调适、低通滤波器、温度补偿、自测(可设置为通过中断引脚,即INT1或INT2检测零重力加速度)和脉冲检测(快速运动检测)等特性。出厂前已经设置了零重力加速度偏移量和灵敏度,无需外部设备。
MMA7455 是一款数字输出(I2C/SPI)、低功耗、紧凑型电容式微机械三轴加速度计,具有信号调理、低通滤波器、温度补偿、自测、可配置通过中断引脚(INT1或INT2)检测0g、以及脉冲检测(用于快速运动检测)等功能。0g 偏置和灵敏度是出厂配置,无需外部器件。客户可使用指定的0g 寄存器和g-Select 量程选择对0g 偏置进行校准, 量程可通过命令选择 3 个加速度范围(2g/4g/8g)。
MMA7455的主要特性指标
数字输出(带有I2C/SPI总线)
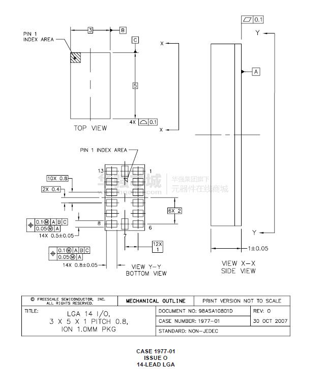
3mm x 5mm x 1mm LGA-14封装
低电流消耗,Z轴向自我检测
低工作电压2.4 V – 3.6 V
用户配置偏移校准寄存器
可编程阈值中断输出
运动识别水平检测(冲击,震荡,自由落体)
单脉冲和双脉冲识别的脉冲检测
灵敏度(64 LSB/g @ 2g and @ 8g in 10-Bit Mode)可选灵敏度±2g, ±4g, ±8g
结构坚固,高抗冲击性(5000g)
通过ROHS认证,环保,廉价
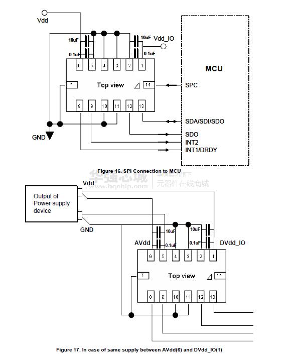
电路图、引脚图和封装图
技术资料
应用案例
米尔ARM+FPGA架构开发板PCIE2SCREEN示例分析与测试
2023-07-07
基于S3C2440和加速度传感器的自由摆平板控制系统的设计
2013-05-27
ARM+FPGA开发板的强劲图形系统体验——米尔基于NXP i.MX 8M Mini+Artix-7处理器的开发板
2023-04-04
ARM+FPGA开发板的强劲图形系统体验——米尔基于NXP i.MX 8M Mini+Artix-7处理器的开发板
2023-04-04
ARM+FPGA架构开发板PCIE2SCREEN示例分析与测试-米尔MYD-JX8MMA7
2023-03-02
ARM+FPGA架构开发板PCIE2SCREEN示例分析与测试-米尔MYD-JX8MMA7
2023-03-02
ARM+FPGA开发板的强劲图形系统体验——米尔基于NXP i.MX 8M Mini+Artix-7处理器的开发板
2023-04-04
ARM+FPGA架构开发板PCIE2SCREEN示例分析与测试-米尔MYD-JX8MMA7
2023-03-02




