MIS2DH
MEMS运动传感器的数字输出:超低功耗高性能的三轴加速度计
制造商:
产品信息
The MIS2DH is an ultra-low-power high-performance three-axis linear accelerometer with digital I2C/SPI serial interface standard output.
The MIS2DH has user-selectable full scales of ±2g/±4g/±8g/±16g and is capable of measuring accelerations with output data rates from 1 Hz to 5.3 kHz.
The MIS2DH is a device that has been conceived for medical and healthcare applications whenever the sensor itself is not used as a life-sustaining component.
The device may be configured to generate interrupt signals by two independent inertial wake-up/free-fall events as well as by the position of the device itself.
The self-test capability allows the user to check the functionality of the sensor in the final application.
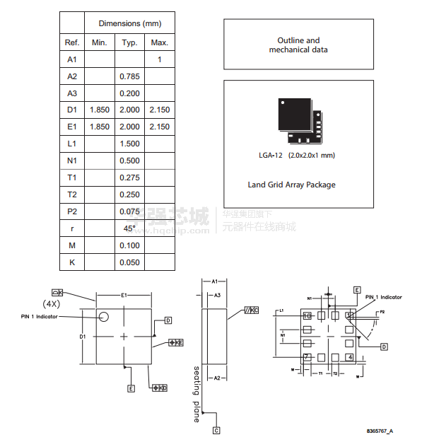
The MIS2DH is available in a small thin plastic land grid array package (LGA) and is guaranteed to operate over an extended temperature range from -40 °C to +85 °C.
mis2dh是一个超低功耗高性能轴线性加速度计的数字I2C和SPI串行接口标准输出。
mis2dh具有用户可选的全尺度的±2g/±4G /±8g /±16G和能够测量加速度的输出数据速率从1赫兹到5.3千赫。
mis2dh是一个被设想为医疗保健的应用程序时,传感器本身不能作为维持生命的组成设备。
该设备可以配置为产生中断信号由2个独立的惯性唤醒/自由坠落事件,以及由该设备本身的位置。
自检功能允许用户在最后的应用程序中检查传感器的功能。
在一个小的mis2dh薄塑料栅格阵列(LGA)封装提供并保证工作在扩展温度范围从- 40°C + 85°C.
Key Features
Wide supply voltage, 1.71 V to 3.6 V
Independent IOs supply (1.8 V) and supply voltage compatible
Ultra-low power consumption down to 2 μA
±2g/±4g/±8g/±16g selectable full scales
I2C/SPI digital output interface
3 operating modes: low-power, normal, high-resolution mode
2 independent programmable interrupt generators for free-fall and motion detection
6D/4D orientation detection
Motion detection & free-fall detection
“Sleep-to-wake” and “return-to-sleep” functions
Embedded FIFO
Embedded self-test
Embedded temperature sensor
ECOPACK®, RoHS and “Green” compliant
主要特点
宽电源电压,1.71伏至3.6伏
独立的iOS电源(1.8 V)和电源电压兼容
超低功耗降至2
±2g/±4G /±8G /±16G可选全尺度
I2C或SPI数字输出接口
3种工作模式:低功耗,高精度,高分辨率模式
2个独立的可编程中断发生器自由下落和运动检测
6D四维定位检测
运动检测与自由下落检测
“睡眠觉醒”和“回归睡眠”功能
嵌入式FIFO
嵌入式自测试
嵌入式温度传感器
®Ecopack,ROHS和“绿色”标准



