MC74HC273A
Octal D Flip-Flop
制造商:ON
产品信息
High-Performance Silicon-Gate CMOS
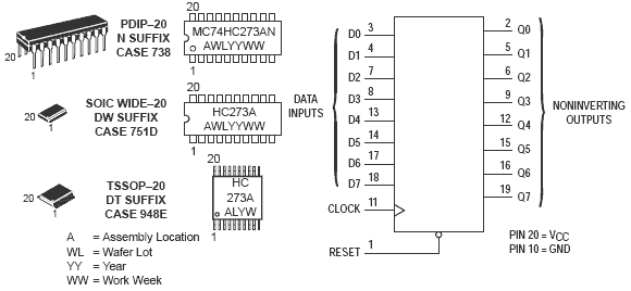
The MC74HC273A is identical in pinout to the LS273. The device inputs are compatible with standard CMOS outputs; with pullup resistors, they are compatible with LSTTL outputs.
This device consists of eight D flip-flops with common Clock and Reset inputs. Each flip-flop is loaded with a low-to-high transition of the Clock input. Reset is asynchronous and active low.
The MC74HC273A is identical in pinout to the LS273. The device inputs are compatible with standard CMOS outputs; with pullup resistors, they are compatible with LSTTL outputs.
This device consists of eight D flip-flops with common Clock and Reset inputs. Each flip-flop is loaded with a low-to-high transition of the Clock input. Reset is asynchronous and active low.
- Output Drive Capability: 10 LSTTL Loads
- Outputs Directly Interface to CMOS, NMOS and TTL
- Operating Voltage Range: 2.0 to 6.0 V
- Low Input Current: 1.0
- A
- High Noise Immunity Characteristic of CMOS Devices
- In Compliance with the Requirements Defined by JEDEC Standard No. 7A
- Chip Complexity: 264 FETs or 66 Equivalent Gates
- Pb-Free Packages are Available*
电路图、引脚图和封装图
在线购买
型号:NLV74HC273ADWR2G
描述:-
型号:NLV74HC273ADTR2G
描述:-
型号:MC74HC273ADWR2G
描述:-
型号:MC74HC273ADTG
描述:-
型号:MC74HC273ADTR2G
描述:-
型号:MC74HC273ADWG
描述:-
技术资料
应用案例
MC74HC4538A双稳态多谐振荡器的详细解析
2026-01-01
MC74HC4538A双稳态多谐振荡器:特性、应用与设计要点
2026-01-09
74hc4052中文资料汇总(74hc4052引脚图及功能_工作原理及应用电路)
2017-04-17
74hc164中文资料汇总(74hc164引脚图及功能_特性参数及典型应用电路)
2017-04-17
SN74LV273A:2-5.5V八路D型触发器技术解析
2025-09-02
模拟开关芯片74HC4053,可替代TI的CD74HC4053和东芝的74HC4053D
2022-12-13
中微爱芯通用逻辑芯片AIP74HC14,可替代恩智浦74HC14、德州仪器CD74HC14
2022-12-12
基于74hc138译码器实验分析 详解74hc138译码器实验
2018-08-07

