MC74ACT05
Hex Inverter with Open-Drain Outputs
制造商:ON
产品信息
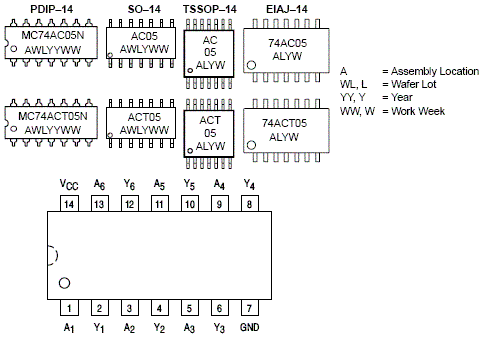
The MC74AC/ACT05 is identical in pinout to the LS05. The device inputs are compatible with standard CMOS outputs; with pullup resistors, they are compatible with TTL outputs.
- Outputs Source/Sink 24 mA
- ACT05 Has TTL Compatible Inputs
- Pb-Free Packages are Available
电路图、引脚图和封装图
技术资料
应用案例
MC3303DG是什么芯片?
2023-09-05
Texas Instruments SN74ACT257-Q1 2线至1线数据选择器/多路复用器数据手册
2025-07-02
深入解析ON Semiconductor MC74VHC04与MC74VHCT04A CMO
2025-11-22
钟伟良:在Ansys Workbench中添加和启用ACT插件的方法
2023-01-12
Texas Instruments SN74ACT86/SN74ACT86-Q1双输入异或门
2025-07-02
飞思卡尔MC56F8013解密成功,MC56F系列芯片解密
2022-10-15
Texas Instruments SN74ACT32/SN74ACT32-Q1双输入正或门
2025-07-02
广和通LTE Cat1模组MC989-CN/MC981-CN介绍
2022-07-09

