MC34063A
Buck / Boost / Inverting Regulator, Switching, 1.5 A
制造商:ON
产品信息
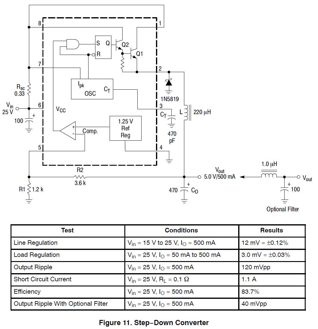
The MC34063A Series is a monolithic control circuit containing the primary functions required for dc-to-dc converters. These Buck Boost Inverting Switching Regulators consist of an internal temperature compensated reference, comparator, controlled duty cycle oscillator with an active current limit circuit, driver and high current output switch. This series was specifically designed to be incorporated in Step down (Buck), Step up (Boost) and Voltage-Inverting applications with a minimum number of external components. Refer to Application Notes AN920A/D and AN954/D for additional design information. The MC33063 is an extended temperature version. The NCV33063 is an extended temp version for automotive.
- Operation from 3.0 V to 40 V Input
- Low Standby Current
- Current Limiting
- Output Switch Current to 1.5 A
- Output Voltage Adjustable
- Frequency Operation to 100 kHz
- Precision 2% Reference
- 4x4mm DFN package option
电路图、引脚图和封装图
在线购买
型号:MC34063AD
描述:-
型号:MC34063ADG
描述:-
型号:MC34063AP1G
描述:-
型号:MC34063ADR2G
描述:-
型号:MCX34063ADR2G
描述:-


