MC34063
MC34063本身包含了DC/DC变换器所需要的主要功能的单片控制电路且价格便宜。
制造商:
产品信息
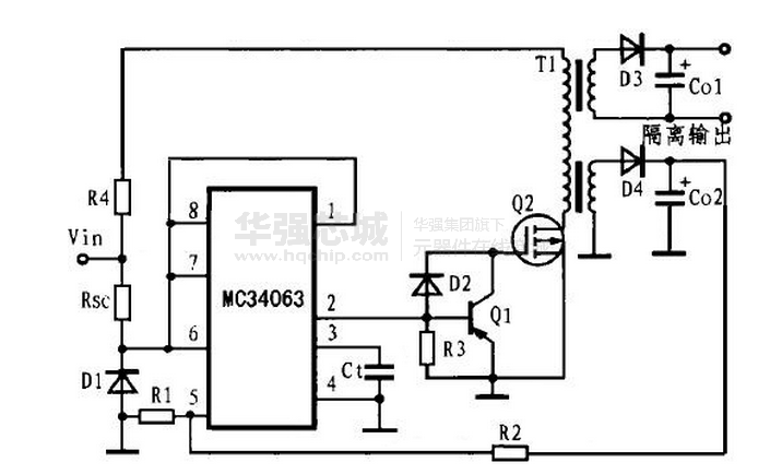
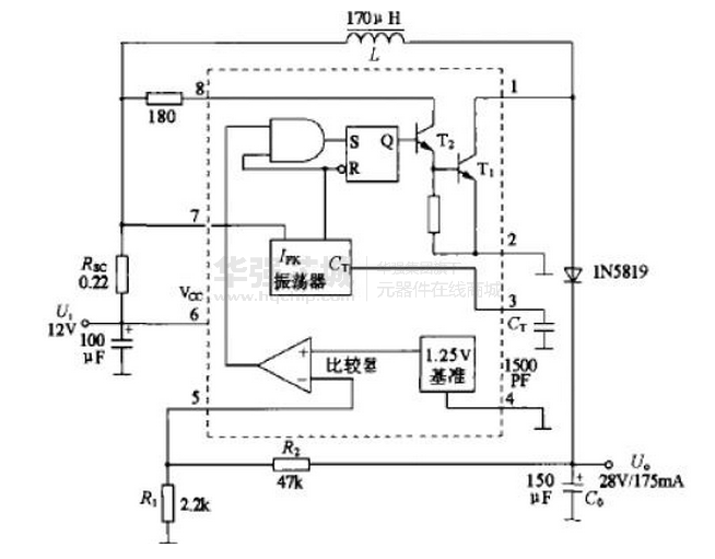
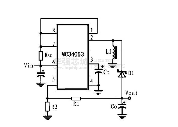
该器件本身包含了DC/DC变换器所需要的主要功能的单片控制电路且价格便宜。它由具有温度自动补偿功能的基准电压发生器、比较器、占空比可控的振荡器,R—S触发器和大电流输出开关电路等组成。该器件可用于升压变换器、降压变换器、反向器的控制核心,由它构成的DC/DC变换器仅用少量的外部元器件。主要应用于以微处理器(MPU)或单片机(MCU)为基础的系统里。
低静态电流特性:
1、低静态电流
2、短路电流限制
3、可实现升压或降压电源变换器
电路图、引脚图和封装图
在线购买
型号:MC34063AG-S08-R
描述:-
型号:MC34063AG-D08-T
描述:-
型号:MC34063APS
描述:-
型号:MC34063A
描述:-
型号:MC34063AG-D08-T 管装
描述:-
型号:MC34063AG-S08-R 编带
描述:-
技术资料
应用案例
MC34063芯片特点/引脚以及封装/原理图
2021-01-09
MC34063降压电路特性及内部基本结构
2020-11-10
mc34063升压电路图大全(十款模拟电路设计原理图详解)
2014-09-08
MC34063构成的降压电路
2019-11-02
对MC34063锂电池充电板的改进,mc34063 power converter
2018-09-21
MC34063大电流降压电路,MC34063 BUCK converter
2018-09-21
MC34063扩流降压电路图,MC34063 STEP DOWN CONVERTER
2018-09-21
MC34063电源升压电路板,MC34063 boost circuit
2018-09-21





