MC34060A
Fixed Frequency,Single Ended, Voltage Mode PWM Controller
制造商:ON
产品信息
The MC34060A is a low cost fixed frequency, pulse width modulation control circuit designed primarily for single-ended SWITCHMODE power supply control.
The MC34060A is specified over the commercial operating temperature range of 0 C to +70 C, and the MC33060A is specified over an automotive temperature range of -40 C to +85 C.
The MC34060A is specified over the commercial operating temperature range of 0 C to +70 C, and the MC33060A is specified over an automotive temperature range of -40 C to +85 C.
- Complete Pulse Width Modulation Control Circuitry
- On-Chip Oscillator with Master or Slave Operation
- On-Chip Error Amplifiers
- On-Chip 5.0 V Reference, 1.5% Accuracy
- Adjustable Dead-Time Control
- Uncommitted Output Transistor Rated to 200 mA Source or Sink
- Undervoltage Lockout
- Pb-Free Packages are Available
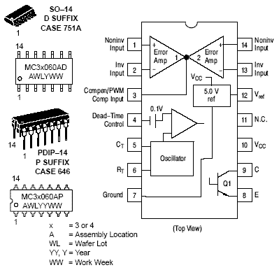
电路图、引脚图和封装图
应用案例
MC74VHC245/MC74VHCT245A 总线收发器技术解析与应用指南
2025-11-22
新型窄带调频接收机集成电路MC3362/MC3363/MC3
2009-12-22
采用MC1330和MC1352的电视中频放大器和检波器电路图
2017-09-28
MC34063或MC33063接成标准的DC—DC电路
2017-09-28
MC_VelocityProfile概念介绍
2023-03-08
MC34063或MC33063接成标准的DC—DC
2017-09-28
LG MC-8CB MC-99BA机心彩电开关电源电路
2017-09-28
基于MC33591/MC33592的315MHz/434MH
2017-09-28

