MC33174
Operational Amplifier, Single Supply 3.0 V to 44 V, Low Power, Quad
制造商:ON
产品信息
Quality bipolar fabrication with innovative design concepts are employed for the MC33171/72/74 series of monolithic op-amps. These devices operate at 180 A per amplifier and offer 1.8 MHz of gain bandwidth product and 2.1 V/s slew rate without the use of JFET device technology. Although this series can be operated from split supplies, it is particularly suited for single supply operation, since the common mode input voltage includes ground potential (VEE). With a Darlington input stage, these devices exhibit high input resistance, low input offset voltage and high gain. The all NPN output stage, characterized by no deadband crossover distortion and large output voltage swing, provides high capacitance drive capability, excellent phase and gain margins, low open loop high frequency output impedance and symmetrical source/sink AC frequency response.
The MC33171/72/74 are specified over the industrial / automotive temperature ranges. The complete series of single, dual and quad op-amps are available in plastic as well as the surface mount packages.
The MC33171/72/74 are specified over the industrial / automotive temperature ranges. The complete series of single, dual and quad op-amps are available in plastic as well as the surface mount packages.
- Low Supply Current: 180 µA (Per Amplifier)
- Wide Supply Operating Range: 3.0 V to 44 V or+/-1.5 V to +/- 22 V
- Wide Input Common Mode Range, Including Ground (V
- )
- Wide Bandwidth: 1.8 MHz
- High Slew Rate: 2.1 V/µs
- Low Input Offset Voltage: 2.0 mV
- Large Output Voltage Swing: -14.2 V to +14.2 V (with +/-15 V Supplies)
- Large Capacitance Drive Capability: 0 pF to 500 pF
- Low Total Harmonic Distortion: 0.03%
- Excellent Phase Margin: 60 C°
- Excellent Gain Margin: 15 dB
- Output Short Circuit Protection
- ESD Diodes Provide Input Protection for Dual and Quad
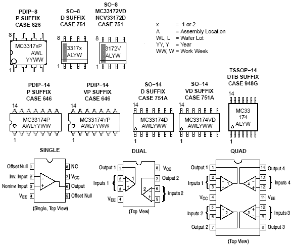
电路图、引脚图和封装图
在线购买
型号:MC33174DTB
描述:-
型号:MC33174VPG
描述:-
型号:MC33174PG
描述:-
型号:MC33174VP
描述:-
型号:MC33174DTBR2
描述:-
型号:MC33174DR2
描述:-
技术资料
应用案例
过压检测芯片MC3423/MC3523的结构性能及应用分析
2020-04-20
MC34063反激电源,MC34063 FLYBACK CONVERTER
2019-02-09
MC34063充电电压变换器,MC34063 step-up converter
2019-02-09
MC13135引脚图_MC13135功能和特性
2020-03-30
mc34063的工作原理详解(含mc34063引脚图及功能_内部结构_特性参数及应用电路)
2009-03-22
BMS安全通信新选择—MC33665A
2023-05-23
MC3303DG是什么芯片?
2023-09-05
采用MC1330和MC1352的电视中频放大器和检波器电路图
2009-03-22

