MC33172
Operational Amplifier, Single Supply 3.0 V to 44 V, Low Power, Dual
制造商:ON
产品信息
Quality bipolar fabrication with innovative design concepts are employed for the MC33171/72/74 series of monolithic op-amps. These devices operate at 180 A per amplifier and offer 1.8 MHz of gain bandwidth product and 2.1 V/s slew rate without the use of JFET device technology. Although this series can be operated from split supplies, it is particularly suited for single supply operation, since the common mode input voltage includes ground potential (VEE). With a Darlington input stage, these devices exhibit high input resistance, low input offset voltage and high gain. The all NPN output stage, characterized by no deadband crossover distortion and large output voltage swing, provides high capacitance drive capability, excellent phase and gain margins, low open loop high frequency output impedance and symmetrical source/sink AC frequency response.
The MC33171/72/74 are specified over the industrial / automotive temperature ranges. The complete series of single, dual and quad op-amps are available in plastic as well as the surface mount packages.
The MC33171/72/74 are specified over the industrial / automotive temperature ranges. The complete series of single, dual and quad op-amps are available in plastic as well as the surface mount packages.
- Low Supply Current: 180 µA (Per Amplifier)
- Wide Supply Operating Range: 3.0 V to 44 V or+/-1.5 V to +/- 22 V
- Wide Input Common Mode Range, Including Ground (V
- )
- Wide Bandwidth: 1.8 MHz
- High Slew Rate: 2.1 V/µs
- Low Input Offset Voltage: 2.0 mV
- Large Output Voltage Swing: -14.2 V to +14.2 V (with +/-15 V Supplies)
- Large Capacitance Drive Capability: 0 pF to 500 pF
- Low Total Harmonic Distortion: 0.03%
- Excellent Phase Margin: 60 C°
- Excellent Gain Margin: 15 dB
- Output Short Circuit Protection
- ESD Diodes Provide Input Protection for Dual and Quad
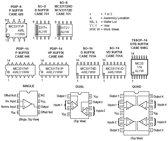
电路图、引脚图和封装图
在线购买
型号:NCV33172DR2
描述:-
型号:MC33172PG
描述:-
型号:MC33172DR2
描述:-
型号:NCV33172DR2G
描述:-
型号:MC33172VDR2G
描述:-
型号:MC33172DR2G
描述:-
技术资料
应用案例
基于MC145026和MC145028芯片实现水位检测系统的设计
2020-12-10
MC34063反激电源,MC34063 FLYBACK CONVERTER
2019-02-09
MC34063充电电压变换器,MC34063 step-up converter
2019-02-09
MC13135引脚图_MC13135功能和特性
2020-03-30
基于MC13213无线模块和ZigBee技术实现道路照明系统的设计
2021-06-26
MC3303DG是什么芯片?
2023-09-05
飞思卡尔MC56F8013解密成功,MC56F系列芯片解密
2022-10-15
广和通LTE Cat1模组MC989-CN/MC981-CN介绍
2022-07-09

