MC33171
Operational Amplifier, Single Supply 3.0 V to 44 V, Low Power, Single
制造商:ON
产品信息
Quality bipolar fabrication with innovative design concepts are employed for the MC33171/72/74 series of monolithic op-amps. These devices operate at 180 A per amplifier and offer 1.8 MHz of gain bandwidth product and 2.1 V/s slew rate without the use of JFET device technology. Although this series can be operated from split supplies, it is particularly suited for single supply operation, since the common mode input voltage includes ground potential (VEE). With a Darlington input stage, these devices exhibit high input resistance, low input offset voltage and high gain. The all NPN output stage, characterized by no deadband crossover distortion and large output voltage swing, provides high capacitance drive capability, excellent phase and gain margins, low open loop high frequency output impedance and symmetrical source/sink AC frequency response.
The MC33171/72/74 are specified over the industrial / automotive temperature ranges. The complete series of single, dual and quad op-amps are available in plastic as well as the surface mount packages.
The MC33171/72/74 are specified over the industrial / automotive temperature ranges. The complete series of single, dual and quad op-amps are available in plastic as well as the surface mount packages.
- Low Supply Current: 180 µA (Per Amplifier)
- Wide Supply Operating Range: 3.0 V to 44 V or+/-1.5 V to +/- 22 V
- Wide Input Common Mode Range, Including Ground (V
- )
- Wide Bandwidth: 1.8 MHz
- High Slew Rate: 2.1 V/µs
- Low Input Offset Voltage: 2.0 mV
- Large Output Voltage Swing: -14.2 V to +14.2 V (with +/-15 V Supplies)
- Large Capacitance Drive Capability: 0 pF to 500 pF
- Low Total Harmonic Distortion: 0.03%
- Excellent Phase Margin: 60 C°
- Excellent Gain Margin: 15 dB
- Output Short Circuit Protection
- ESD Diodes Provide Input Protection for Dual and Quad
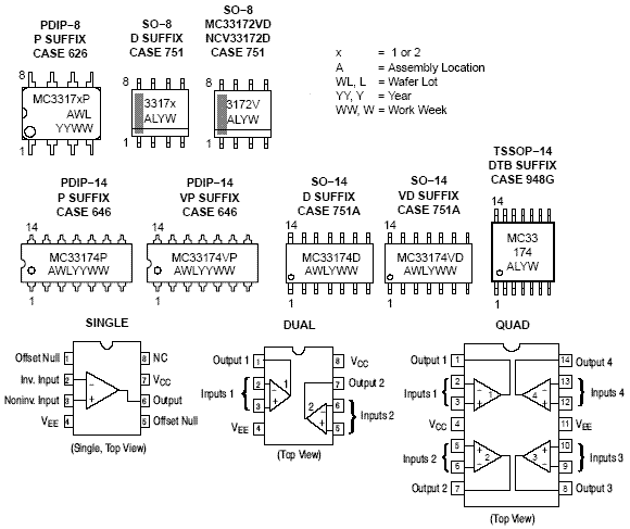
电路图、引脚图和封装图
在线购买
型号:MC33171PG
描述:-
型号:MC33171DG
描述:-
型号:MC33171DR2G
描述:-
型号:MC33171DR2
描述:-
型号:MC33171P
描述:-
型号:MC33171D
描述:-
技术资料
应用案例
MC34063扩流降压电路图,MC34063 STEP DOWN CONVERTER
2018-09-21
过压检测芯片MC3423/MC3523的结构性能及应用分析
2020-04-20
MC_VelocityProfile概念介绍
2023-03-08
MC34262/MC33262 功率因数控制器:设计与应用详解
2026-02-03
探索MC33171/72/74、NCV33172/74系列运算放大器的卓越性能
2025-11-27
MC33171制作的陷波器电路
2017-09-28
采用MC1330和MC1352的电视中频放大器和检波器电路图
2017-09-28
MC34063或MC33063接成标准的DC—DC电路
2017-09-28

