MC33060A
Fixed Frequency,Single Ended, Voltage Mode PWM Controller
制造商:ON
产品信息
The MC34060A is a low cost fixed frequency, pulse width modulation control circuit designed primarily for single-ended SWITCHMODE power supply control.
The MC34060A is specified over the commercial operating temperature range of 0 C to +70 C, and the MC33060A is specified over an automotive temperature range of -40 C to +85 C.
The MC34060A is specified over the commercial operating temperature range of 0 C to +70 C, and the MC33060A is specified over an automotive temperature range of -40 C to +85 C.
- Complete Pulse Width Modulation Control Circuitry
- On-Chip Oscillator with Master or Slave Operation
- On-Chip Error Amplifiers
- On-Chip 5.0 V Reference, 1.5% Accuracy
- Adjustable Dead-Time Control
- Uncommitted Output Transistor Rated to 200 mA Source or Sink
- Undervoltage Lockout
- Pb-Free Packages are Available
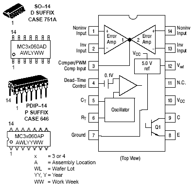
电路图、引脚图和封装图
应用案例
采用MC1330和MC1352的电视中频放大器和检波器电路图
2017-09-28
MC34063或MC33063接成标准的DC—DC电路
2017-09-28
MC34063或MC33063接成标准的DC—DC
2017-09-28
LG MC-8CB MC-99BA机心彩电开关电源电路
2017-09-28
基于MC33591/MC33592的315MHz/434MH
2017-09-28
mc34063的工作原理详解(含mc34063引脚图及功能_内部结构_特性参数及应用电路)
2017-09-28
MVA,ME/MC技术,MVA,ME/MC技术是什么意思
2017-09-28
mc1413引脚图及功能_mc1413内部电路图
2017-09-28

