MAX3232
通信接口芯片 3.0V至5.5V、低功耗、1Mbps、真RS-232收发器
制造商:
产品信息
MAX3222E/MAX3232E/MAX3237E/MAX3241E/MAX3246E为+3.0V供电的EIA/TIA-232和V.28/V.24通信接口芯片,具有低功耗、高数据速率、增强型ESD保护等特性。增强型ESD结构为所有发送器输出和接收器输入提供保护,可承受±15kV IEC 1000-4-2气隙放电、±8kV IEC 1000-4-2接触放电(MAX3246E为±9kV)和±15kV人体放电模式。MAX3237E的逻辑引脚及接收器I/O引脚均提供上述保护,而它的发送器输出引脚提供±15kV人体放电模式的保护。
采用专有的低压差发送输出级,+3.0V至+5.5V供电时利用内部双电荷泵提供真正的RS-232性能。工作于+3.3V电源时,荷泵仅需要四个0.1µF的小电容。每款器件保证在250kbps数据速率下维持RS-232输出电平。MAX3237E确保标准工作模式下提供250kbps的数据速率、在MegaBaud™工作模式下速率高达1Mbps。
MAX3222E/MAX3232E包括两个发送器和两个接收器;MAX3222E具有1µA关断模式,可降低电池供电便携式系统的功耗。关断模式下,MAX3222E接收器仍保持有效状态,允许监视外设,而且仅消耗1µA的电源电流。MAX3222E和MAX3232E的引脚、封装和功能分别兼容于工业标准的MAX242和MAX232。
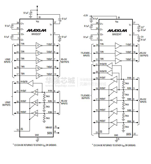
MAX3241E/MAX3246E提供完备的串口(3个驱动器/5个接收器),专为笔记本电脑和亚笔记本电脑设计。MAX3237E (5个驱动器/3个接收器)非常适合要求高速数据传输的外围设备。这些器件都具有关断模式,此模式下所有接收器仍保持有效状态,而且仅消耗1µA (MAX3241E/MAX3246E)或10nA (MAX3237E)的电流。
MAX3222E、MAX3232E和MAX3241E都具有节省空间的SO、SSOP、TQFN及TSSOP封装,MAX3237E提供SSOP封装,MAX3246E提供超小型6 x 6 UCSP™封装。
优势特点
关键特性
对于空间受限的应用
MAX3228E/MAX3229E:±15kV ESD保护,+2.5V至+5.5V、RS-232收发器,UCSP封装
对于低电压或数据电缆应用
MAX3380E/MAX3381E:+2.35V至+5.5V、1µA,2Tx/2Rx、RS-232收发器,带有±15kV ESD保护的I/O和逻辑引脚
应用/使用
电池供电设备
手持式装置
高速调制解调器
笔记本电脑、亚笔记本电脑与掌上电脑
外设
打印机
规格参数

电路图、引脚图和封装图
在线购买
型号:MAX3232EEUP
描述:-
型号:MAX3222ECWN-T
描述:-
型号:MAX3222EEAP-T
描述:-
型号:MAX3222EEAP
描述:-
型号:MAX3222CUP-T
描述:-
型号:MAX3222ECPWR.
描述:-





