LV8862JA
Single-phase FAN Motor Driver
制造商:ON
产品信息
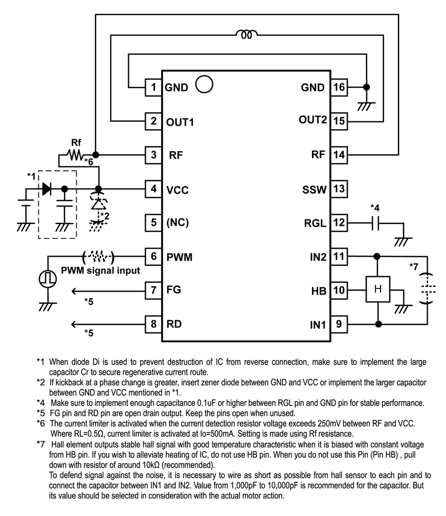
LV8862JA is a driver IC used for single-phase fan motor. High-efficiency and low-noise are realized by reducing reactive power using Silent PWM. This IC’s feature is low on-resistance 0.6Ω & High-efficiency. Therefore, it is optimal for high power fan motor and home appliance equipment.
- Single-phase full wave operation by Silent PWM drive
- Speed is controllable by PWM input
- Hall bias output pin
- Integrated Quick Start Circuit
- FG (rotation detection) / RD (lock detection) output pin (open drain output)
- Integrated current limiter circuit (limit at Io=500mA with RL=0.5Ω connection, limit value is determined based on Rf.)
- Integrated lock protector circuit and automatic recovery circuit
- Integrated thermal shut-down (TSD) circuit
电路图、引脚图和封装图
在线购买
型号:LV8862JA-AH
描述:-

