LV8813G
Motor Driver, 3-Phase, PWM, Full-Wave, BLDC
制造商:ON
产品信息
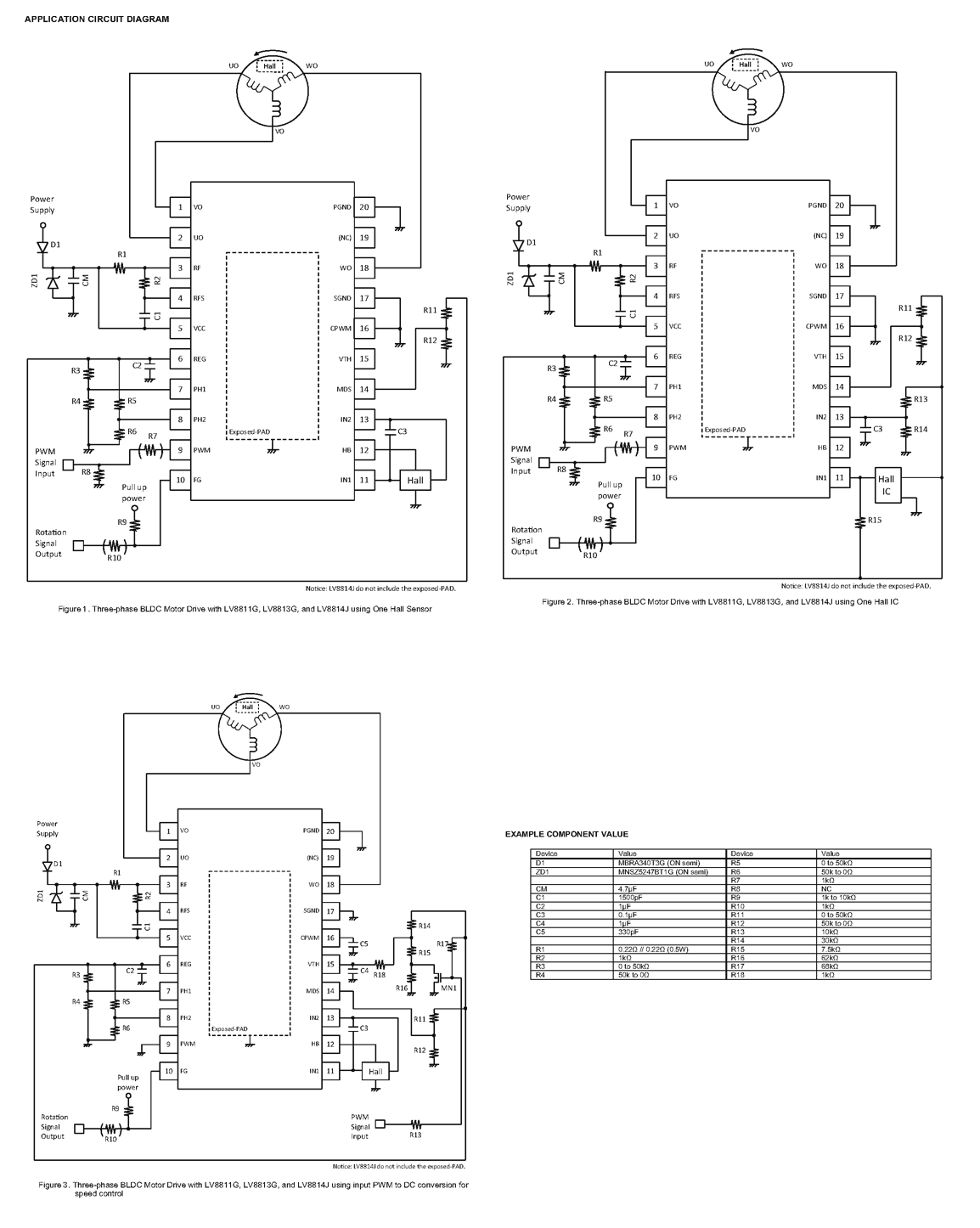
The LV8813G is a 3-phase BLDC motor driver which is controlled by single Hall sensor. A 180 degrees sinusoidal driving method is adopted and the IC can control motor with low vibration and the low noise. In addition, lead-angle adjustment is possible by an external pin. Lead-angle value and lead-angle slant can be adjusted independently. Thus, the device can be driven by high efficiency and low noise with various motors. The power element to drive a motor is built-in and contributes to high efficiency by low on resistance (0.5 Ω). The Hall sensor bias driver is equipped, and a Hall IC is supported as well. As a method of the rotary speed control of the motor, direct-PWM pulse input or DC-voltage input can be chosen.
- 3-phase full wave (sinusoidal) drive
- Any practical combination of slot and pole can be handled. (e.g. 3S3P, 3S4P, 6S4P, 6S8P, 12S8P, 9S12P and so on)
- built-in power FETs (P-MOS/N-MOS)
- Speed control function by direct PWM or DC voltage input
- Minimum input PWM duty cycle can be configured by voltage input
- Soft start-up function and soft shutdown function
- Soft PWM duty cycle transitions
- Built-in current limit circuit and thermal protection circuit
- Regulated voltage output pin for Hall sensor bias
- Built-in locked rotor protection and auto recovery circuit
- FG signal output
- Dynamic lead angle adjustment with respect to rotational speed
- Lead-angle control parameters can be configured by voltage inputs
电路图、引脚图和封装图
在线购买
型号:LV8813G-AH
描述:-
技术资料
应用案例
LV1365-EX条码识别模组在手持终端类中的应用
2024-09-09
高云Arora Ⅴ系列GW5AT-LV60 FPGA:晨熙®家族高性能新星
2025-02-19
探索onsemi EEPROM:NV25080LV系列的卓越性能与应用指南
2025-11-27
MIC21LV32评估板技术解析:多相降压控制器的工程实践
2025-10-14
MIC21LV33评估板技术解析与应用指南
2025-10-14
MIC21LV33评估板技术解析与应用指南
2025-10-14
深入解析SN54LV221A与SN74LV221A双单稳态多谐振荡器
2026-01-08
SN74LV138A 3-8线解码器/解复用器技术解析与应用指南
2025-09-01

