LV8762T
Motor Driver, H-Bridge, Forward / Reverse
制造商:ON
产品信息
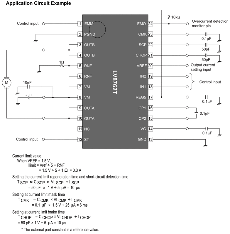
The LV8762T is a 1-channel H-bridge driver that can control four operation modes (forward, reverse, brake, and standby) of a motor. The LV8762T is optimal for use in driving brushed DC motors for office equipment.
- Built-in current limiter
- Built-in thermal protection circuit
- Built-in short-circuit protection function
- (selectable from latch-type or auto reset-type)
- Built-in Brake Function
- Low ON Resistance : 1.25 Ω
- Stand-by Current : 0 µA
- Forward/reverse H-bridge motor driver : 1 channel
- Single power supply
- IOmax = 1 A
- Current limit mask function
- Alert signal output


