LV8741V
PWM Current Control Stepper Motor Driver
制造商:ON
产品信息
The LV8741V is a 2-channel H-bridge driver IC that can switch a stepper motor driver, which is capable of micro-step drive and supports Quarter-step excitation, and two channels of a brushed motor driver, which supports forward, reverse, brake, and standby of a motor. It is ideally suited for driving brushed DC motors and stepper motors used in office equipment and amusement applications.
- On resistance (upper side : 0.5Ω ; lower side : 0.5Ω ; total of upper and lower : 1.0Ω ; Ta = 25°C, IO = 1.5A)
- Excitation mode can be set to Full-step, Half-step full torque, Half-step or Quarter-step
- Motor current selectable in four steps
- Output short-circuit protection circuit (selectable from latch-type or auto reset-type) incorporated
- Thermal shutdown circuit and power supply monitor circuit incorporated
- CLK-IN Input
- Single-channel PWM current control stepper motor driver (selectable with DC motor driver channel 2) incorporated.
- BiCDMOS process IC
- Excitation step proceeds only by step signal input
- IO max = 1.5A
- No control supply required VCC = 3.3V
- Unusual Condition Warning Output Pin
电路图、引脚图和封装图
技术资料
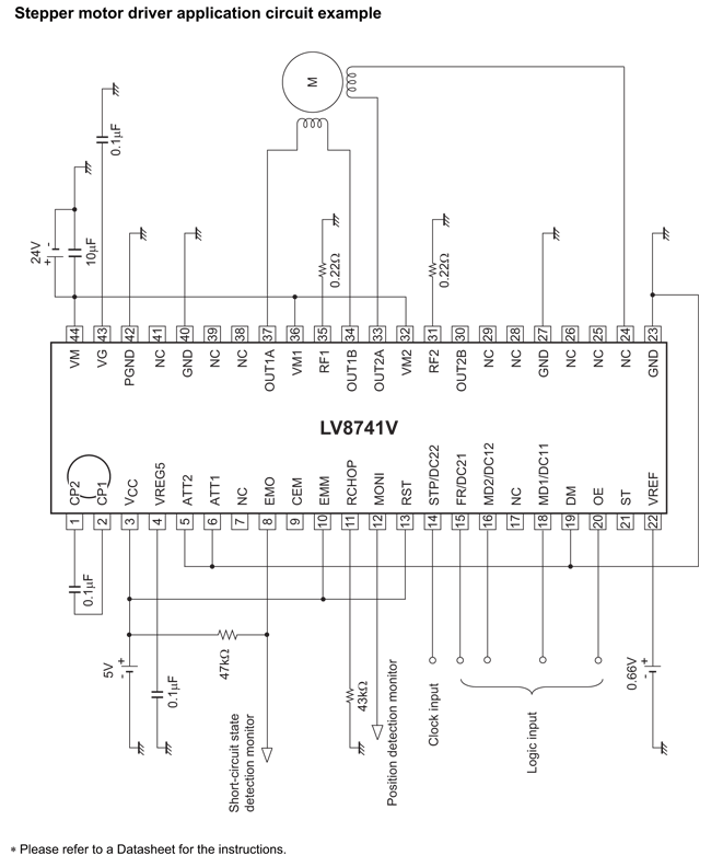
应用案例
深入解析SN54LV221A与SN74LV221A双单稳态多谐振荡器
2026-01-08
青铜剑技术碳化硅MOSFET模块驱动器2CP0335V33-LV100概述
2022-12-29
不同种类液位计在液LV储罐液位测量中的应用
2022-06-27
SN74LV1T125DBVR具有较宽电压范围的低压 CMOS 门逻辑电路,用于工业、便携、电信和汽车应用
2021-12-22
单通道DC-DC转换器LV5980MC的主要特性及应用电路
2021-03-15
专门应对新能源汽车的测试的LV123和LV148开发标准
2020-06-10
如何操作LV8548电机驱动器模块
2019-03-14
一种基于WM8741的音频解码器研究与设计
2018-11-09


