LV8728MR
Stepper Motor Driver, PWM, Constant-Current Control, 1/128 step
制造商:ON
产品信息
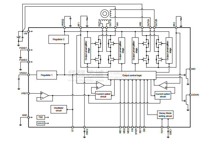
The LV8728MR is a PWM current-controlled micro step stepper motor driver. This driver can perform eight excitation modes from Full step to 1/128 step and can drive simply by the CLK input. LV8728MR is suitable for various application to have an abundant excitation mode. And overcurrent protection, thermal shutdown, and low-voltage protection circuit is built-in, it is possible to design safely as customer's application.
Output on-resistance (upper side: 0.3Ω ; lower side: 0.25Ω ; total of upper and lower: 0.55Ω ; Ta = 25°C, IO = 2.0A)
Full, Half, 1/4, 1/8, 1/16, 1/32, 1/64, 1/128 step excitation mode areselectable
Advance the excitation step with the only step signal input
Over-current protection circuit
Thermal shutdown circuit
Input pull down resistance
With reset pin and enable pin.
Available forward reverse control
Single-channel PWM current control stepper motor driver
BiCDMOS process IC
IO max = 2.0A
优势特点
单通道 PWM 电流控制步进电机驱动器
BiCDMOS 过程 IC
输出导通电阻
上侧:0.3Ω
下侧:0.25Ω
总计:0.55Ω;Ta=25C,IO=2.0A
全步、半步、1/4、1/8、1/16、1/64、1/128 步激发模式可供选择
仅通过步骤信号输入即可提前激发
2.0A IO(最大值)
过流保护电路
热关断电路
规格参数

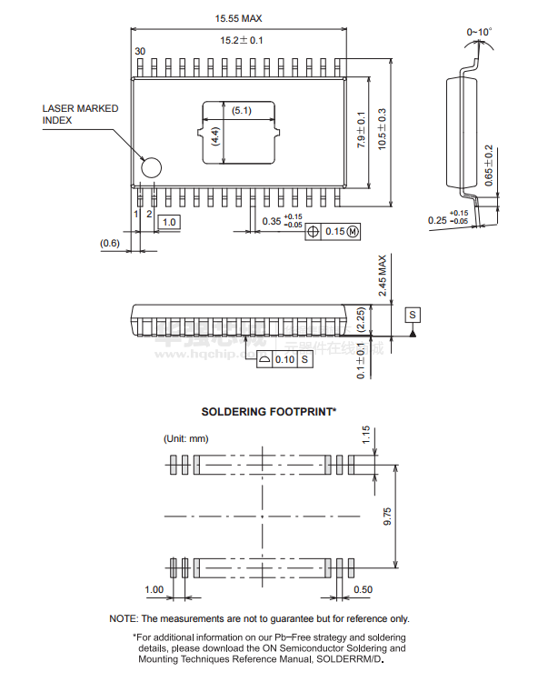
电路图、引脚图和封装图
在线购买
型号:LV8728MR-AH
描述:-
技术资料
应用案例
DIALOG推MR16 LED调光驱动器,兼容传统电子变压器
2016-06-23
未来MR/AR或将覆盖VR,四大观点解析
2016-06-23
【虹科新品】 HK-MR430&330绝对式光纤编码器(上)
2022-11-18
【虹科新品】 HK-MR430&330绝对式光纤编码器(上)
2022-11-18
【虹科新品】 HK-MR430&330绝对式光纤编码器(上)
2022-11-18
【虹科新品】 HK-MR430&330绝对式光纤编码器(上)
2022-11-18
3D MR解决方案落地加速 华捷艾米2018高交会展出多项应用
2018-11-15
【虹科新品】 HK-MR430&330绝对式光纤编码器(上)
2022-11-18



