LV8726TA
Stepper Motor Pre-Driver, PWM, Constant-Current Control, Micro step
制造商:ON
产品信息
The LV8726 is a bipolar stepper motor driver with ultra-small micro step drive capability. The device uses external dual H-bridges consisting of P and N channel MOSFETs. The operation voltage range is from 9V to 55V, and it is applicable to various industrial applications. Synchronous rectification control is implemented for all H-bridges to minimize power dissipation during a MOSFET switching. The device implements constant-current control using PWM. The step advance sequencer covers from half step to 1/128 micro step, and is driven by a clock input. The configuration registers can be programmed through an SPI serial interface.To enhance energy efficiency further, the device can be put into a power saving standby mode.
优势特点
1 channel PWM constant-current control stepper motor pre driver of P-N channel MOSFET drive
1/2, 1/4, 1/8, 1/16, 1/32, 1/64, 1/128 Step
and 1/3, 1/6, 1/12, 1/36, 1/5, 1/10, 1/20, 1/50, 1/100 Step are selectable.
Advance the excitation step with the only step signal input
8-bit 3-wire serial control
Low voltage protection circuit
Low voltage protection circuit
Over-current protection circuit
Thermal shutdown circuit
Input pull down resistance
Input pull down resistance
规格参数


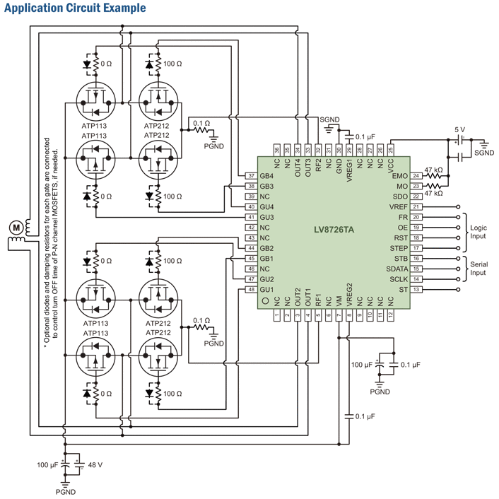
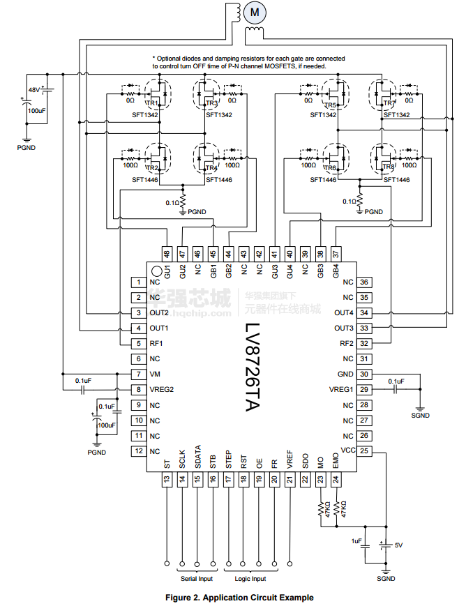
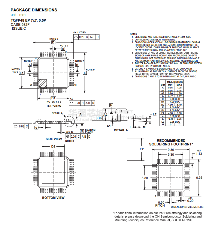
电路图、引脚图和封装图
在线购买
型号:LV8726TA-NH
描述:-





