LV8702V
PWM Current Control High-Efficiency Stepper Motor Driver
制造商:ON
产品信息
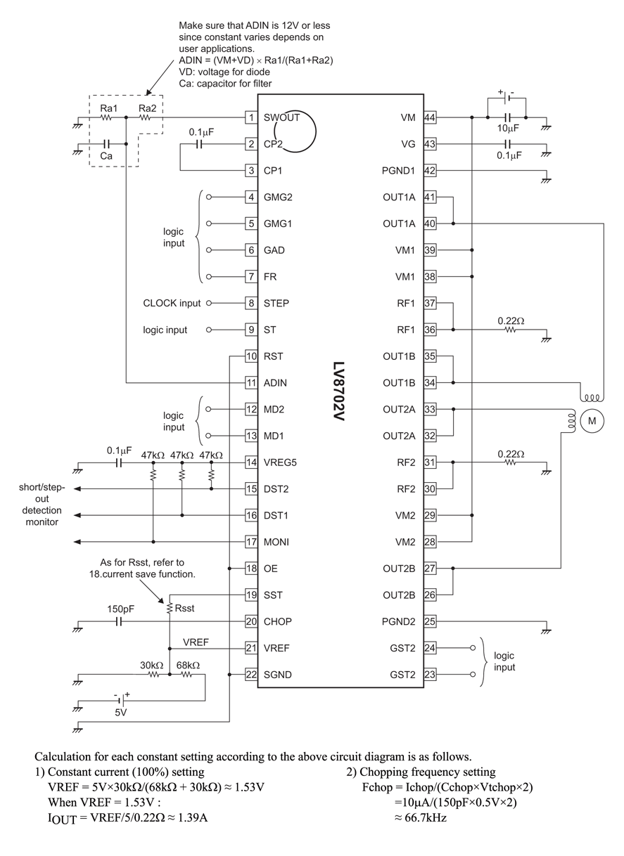
The LV8702V is a 2-channel Full-bridge driver IC that can drive a stepper motor driver, which is capable of micro-step drive and supports quarter step. Current is controlled according to motor load and rotational speed at half step, half step full-torque and quarter step excitation, thereby highly efficient drive is realized. Consequently, the reduction of power consumption, heat generation, vibration and noise is achieved.
- Built-in 1ch PWM current control stepper motor driver (bipolar type)
- Ron (High-side Ron: 0.3Ω, Low-side Ron: 0.25Ω, total: 0.55Ω, Ta = 25°C, IO = 2.5A)
- Micro-step mode is configurable as follows: full step/half step full-torque/half step/quarter step
- Excitation step moves forward only with step signal input
- Built-in output short protection circuit (latch method)
- Control power supply is unnecessary
- Built-in high-efficient drive function (supports half step full-torque/half step/quarter step excitation mode)
- Built-in step-out detection function (Step-out detection may not be accurate during high speed rotation)
- IO max=2.5A
- Built-in thermal shut down circuit
- BiCDMOS process IC
电路图、引脚图和封装图
技术资料
应用案例
Texas Instruments SN74LV4T125/SN74LV4T125-Q1缓冲
2025-08-02
Texas Instruments LV14240 SIMPLE SWITCHER®降压转换器数据手册
2025-08-01
Texas Instruments LV14540 降压转换器数据手册
2025-07-31
安森美半导体推出高能效电机驱动器LV8702V
2012-12-20
时尚品牌LV进军智能手表 最高售价超19600元
2017-07-24
基于LV8907无传感器三相无刷直流马达控制方案
2018-04-27
LA2785和LV1010组成的杜比定向逻辑解码器电路
2010-12-05
Am29LV200BFlash存储器的分页烧写及多页并行自举
2010-07-12

