LV8413GP
Motor Driver, H-Bridge x 2-Channel, for DSC and Phone Camera
制造商:ON
产品信息
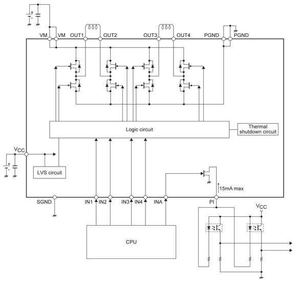
The LV8413GP is an H-bridge x 2-channel motor driver and is able to control 4 modes offorward, reverse, brake, and standby. This device, housed in a miniature package, is optimum for use in a stepping motor driving system for DSC or a mobile phone camera module.
- Built-in thermal protection circuit
- Built-in low voltage malfunction prevention circuit
- Output ON Resistance : 0.8 Ω
- Built-in Photo Sensor Drive Transistor
- VCT Package
- Brake Function
- Saturation drive H-bridge : 2-channels
电路图、引脚图和封装图
技术资料
应用案例
TSB12LV32-EP:高性能IEEE 1394a-2000链路层控制器的全面解析
2026-01-29
Analog Devices Inc. HMC8413低噪声放大器数据手册
2025-06-24
GP9301BM ▏0-10V“三合一”电容隔离调光方案
2022-06-28
Analog Devices Inc. EV1HMC8413LP2F放大器评估板数据手册
2025-06-24
采用LV4500i二维码扫描器的应用集成解决方案
2020-10-29
MIC21LV33评估板技术解析与应用指南
2025-10-14
探索TSB12LV32:高性能IEEE 1394a-2000链路层控制器
2026-01-01
TSB12LV32-EP:高性能IEEE 1394链路层控制器的深度解析
2025-12-30

