LV8111VB
3-phase Brushless Motor Driver for a Polygon Mirror Motor
制造商:ON
产品信息
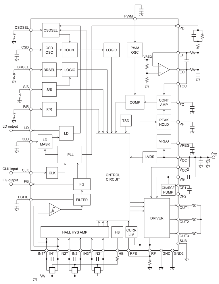
The LV8111VB is a 3-phase brushless motor driver intended as a fully integrated driver for a laser beam printer (LBP) polygon mirror motor. This is a highly integrated solution which uses a DMOS output structure and employs synchronous rectification for low power consumption and a phase locked loop (PLL) speed control scheme to achieve extremely high rotational precision.
- Direct PWM drive + synchronous rectification
- PLL speed control circuit
- Current limiter, constraint protection, thermal shutdown, under-voltage protection circuit
- 3-phase bipolar drive
- IO max1 = 2.5A
- IO max2 = 3.0A (t is within 0.1ms)
- Output current control circuit
- Phase lock detection output
- (with mask function)
- Circuit to switch slowing down method while stopped
- (Free run or Short-circuit brake)
- Constraint protection detection signal switching circuit (FG or LD)
- Forward / Reverse switching circuit
- Compatible with Hall FG
- Hall bias pin (Bias current cut in a stopped state)
- 5V regulator output
- SDCC function (Speed Detection Current Control)
电路图、引脚图和封装图
在线购买
型号:LV8111VB-AH
描述:-
技术资料
应用案例
一种可以替代RX-8025SA的RTC模块(RX-8111CE 封装转换模块)
2022-11-24
一种可以替代RX-8025SA的RTC模块(RX-8111CE 封装转换模块)
2022-11-24
一种可以替代RX-8025SA的RTC模块(RX-8111CE 封装转换模块)
2022-11-24
一种可以替代RX-8025SA的RTC模块(RX-8111CE 封装转换模块)
2022-11-24
一种可以替代RX-8025SA的RTC模块(RX-8111CE 封装转换模块)
2022-11-24
SN74LV1T125DBVR具有较宽电压范围的低压 CMOS 门逻辑电路,用于工业、便携、电信和汽车应用
2021-12-22
一种可以替代RX-8025SA的RTC模块(RX-8111CE 封装转换模块)
2022-11-24
Melexis发布多通道RGB-LED驱动芯片MLX81116,打造汽车应用的智能内饰照明
2020-08-28

