LV8105W
Three-Phase Brushless Motor Predriver for Variable Speed Control
制造商:ON
产品信息
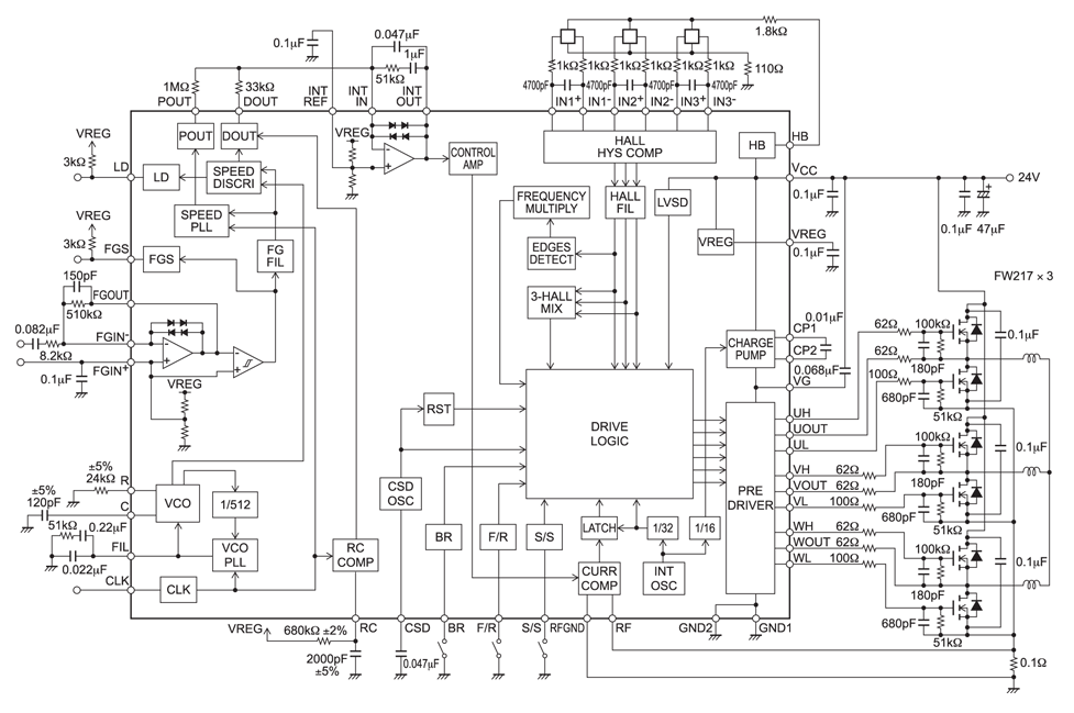
The LV8105W is a predriver IC designed for variable speed control of 3-phase brushless motors. It can be used to implement a high- and low-side output N-channel power FET drive circuit using a built-in charge pump circuit. High-efficiency drive is possible through the use of low noise PWM drive and synchronous rectifying systems.
- Speed discriminator and PLL speed control system
- Integrated VCO
- Speed lock detection output
- Hall bias switch
- Braking circuit
- Integrated current limiting and lock protection circuits
电路图、引脚图和封装图
应用案例
ADL8105 GaAs、pHEMT、MMIC、低噪声放大器,5GHz至20GHz技术手册
2025-03-10
低压单/双路比较器-AiP331LV/AiP393LV
2025-02-25
LV5026构成的TRIAC调光电路
2012-05-08
LD7830+LD8105组成的24V-0.7A电源电路
2012-02-17
MAX 150KTL3-X LV工商业逆变器组串设计参考
2023-10-13
精密电压基准源RS5025LV的功能特性
2023-09-26
高效率、低纹波、工作频率高的PFM升压DC-DC变换器AP8105
2023-09-13
门锁扫码升级新选择:LV5200扫码模组嵌入式方案来了
2025-07-08

