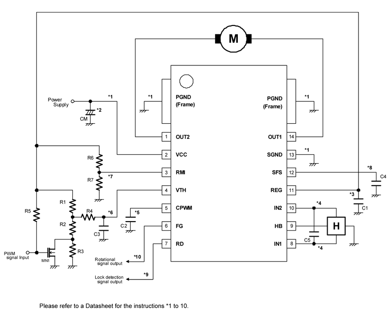
LV11961HA
Single-phase FAN Motor Driver
制造商:ON
产品信息
LV11961HA is a driver IC for single-phase fan motor that easily implements direct PWM motor drive system with excellent efficiency.
LV11961HA is optimal for fan motor drive in personal computer power supply systems and CPU cooling systems.
LV11961HA is optimal for fan motor drive in personal computer power supply systems and CPU cooling systems.
- Single-phase full wave drive (built-in power FETs)
- Speed control function by DC voltage input to VTH pin
- Minimum speed adjustment by fixed voltage input to RMI pin
- Soft start-up function by SFS pin
- Regulated voltage output pin for Hall bias
- Built-in lock protector and auto recovery circuit
- FG signal output pin, RD signal output pin
- Built-in TSD (Thermal shutdown) circuit
电路图、引脚图和封装图
在线购买
型号:LV11961HA-AH
描述:-

