LSM330DLC
iNEMO惯性模块:3D加速度计和三维陀螺仪
制造商:
产品信息
The LSM330DLC is a system-in-package featuring a 3D digital accelerometer and a 3D digital gyroscope.
ST’s family of MEMS sensor modules leverages the robust and mature manufacturing processes already used for the production of micromachined accelerometers.
The various sensing elements are manufactured using specialized micromachining processes, while the IC interfaces are developed using a CMOS technology that allows the design of a dedicated circuit which is trimmed to better match the sensing element characteristics.
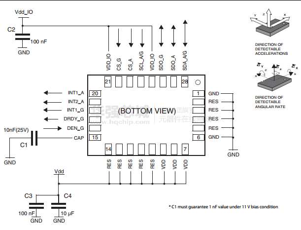
The LSM330DLC has dynamically user-selectable full scale acceleration range of ±2 g/±4 g/±8 g/±16 g and angular rate of ±250/±500/±2000 deg/sec.
The accelerometer and gyroscope sensors can be either activated or separately put in Low power/Power-down mode for applications optimized for power saving.
The LSM330DLC is available in a plastic land grid array (LGA) package.
lsm330dlc这是包装具有三维数字加速度计和三维数字陀螺仪系统。
半导体的微机械传感器模块的家庭利用强大的和成熟的制造工艺已经用于生产的微机械加速度计。
各种传感元件是利用专门的微加工工艺制造,而IC接口是使用CMOS技术允许一个专用电路,修整,以更好地匹配传感元件特性的设计开发。
的lsm330dlc动态用户可选的满量程加速度范围±2克/±4克/±8克/±16 g和250 / 500 /±±±2000度/秒的角速度。
该加速度计和陀螺仪传感器可以被激活或单独投入低功耗/省电模式为应用程序优化的省电。
在一个塑料的lsm330dlc栅格阵列(LGA)封装是可用的。
Key Features
Analog supply voltage: 2.4 V to 3.6 V
Digital supply voltage IOs: 1.8 V
Low power mode
Power-down mode
3 independent acceleration channels and 3 angular rate channels
±2 g/±4 g/±8 g/±16 g dynamically selectable full scale
±250/±500/±2000 dps dynamically selectable full scale
SPI/I2C serial interface (16-bit data output)
Programmable interrupt generator for free-fall and motion detection
ECOPACK® RoHS and “Green” complian
主要特点
模拟电源电压:2.4伏至3.6伏
数字电源电压:1.8 V的iOS
低功耗模式
掉电模式
3个独立的加速通道和3个角速率通道
2克/ 4克/ 8克/ 16克动态可选择
±250 / 500 / 2000±±DPS动态选择的全面
SPI和I2C串行接口(16位数据输出)
可编程中断发生器的自由下落和运动检测
®Ecopack RoHS和“绿色”的不满
电路图、引脚图和封装图
技术资料
应用案例
意法半导体推出最新的ISM330DHCX 和 LSM6DSRX iNEMO™6轴惯性测量单元
2020-03-18
探索aarch64架构上使用ftrace的BPF LSM
2024-01-25
HDLC协议芯片PT7A6525及其在交换机中的应用
2009-03-14
HDLC的FPGA实现方法
2009-03-14
《无主之地3》新DLC 华硕B450主板助你制霸星球
2019-12-19
陀螺仪LSM6DSOW开发(3)----FIFO数据读取与配置
2024-08-05
陀螺仪LSM6DSV16X与AI集成(7)----FIFO数据读取与配置
2024-07-18
陀螺仪LSM6DSV16X与AI集成(2)----姿态解算
2023-12-18



