LSM330
iNEMO惯性模块:3D加速度计和三维陀螺仪
制造商:
产品信息
The LSM330 is a system-in-package featuring a 3D digital accelerometer with two embedded state machines that can be programmed to implement autonomous applications and a 3D digital gyroscope.
ST’s family of MEMS sensor modules leverages the robust and mature manufacturing processes already used for the production of micromachined accelerometers and gyroscopes.
The various sensing elements are manufactured using specialized micromachining processes, while the IC interfaces are developed using CMOS technology that allows the design of a dedicated circuit which is trimmed to better match the sensing element characteristics.
The LSM330 has a user-selectable full-scale acceleration range of ±2/±4/±6/±8/±16 g and an angular rate range of ±250/±500/±2000 dps. The accelerometer and gyroscope sensors can be either activated or separately put in power-down / sleep mode for applications optimized for power saving.
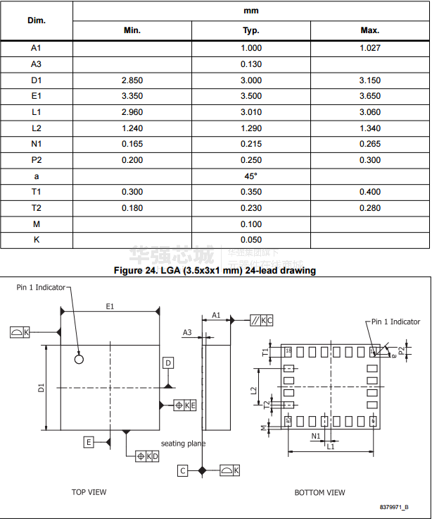
The LSM330 is available in a plastic land grid array (LGA) package.
lsm330这是包装具有三维数字加速度计与嵌入式状态机,可以通过编程实现自主应用和三维数字陀螺仪系统。
圣家族的MEMS传感器模块利用强大的和已经用于微机械加速度计和陀螺仪的生产制造工艺成熟。
各种传感元件是利用专门的微加工工艺制造,而IC接口使用CMOS技术允许一个专用电路,修整,以更好地匹配传感元件特性的设计开发。
有一个用户选择的lsm330全面提速范围±2 / 4 / 6 /±±±8 /±16 g和250 / 500 /±±±2000 DPS角速率范围。该加速度计和陀螺仪传感器可以被激活或单独提出的功率下降/睡眠模式为应用程序优化的节能。
在一个塑料的lsm330栅格阵列(LGA)封装是可用的。
Key Features
Analog supply voltage: 2.4 V to 3.6 V
Digital supply voltage IOs: 1.8 V
Power-down and sleep modes
2 embedded programmable state machines
3 independent acceleration channels and 3 angular rate channels
±2/±4/±6/±8/±16 g selectable full scale
±250/±500/±2000 dps selectable full scale
SPI/I2C serial interface
Embedded temperature sensor
Embedded FIFO
ECOPACK®RoHS and “Green” complian
主要特点
模拟电源电压:2.4伏至3.6伏
数字电源电压:1.8 V的iOS
掉电模式
2嵌入式可编程状态机
3个独立的加速通道和3个角速率通道
2 / 4 / 8 / 16 g可选择的全尺寸
±250 / 500 / 2000±±DPS可选全尺寸
SPI和I2C串行接口
嵌入式温度传感器
嵌入式FIFO
®Ecopack RoHS和“绿色”的不满
电路图、引脚图和封装图
应用案例
【虹科新品】 HK-MR430&330绝对式光纤编码器(上)
2022-11-18
陀螺仪LSM6DSV16X与AI集成(2)----姿态解算
2023-12-18
驱动LSM6DS3TR-C实现高效运动检测与数据采集(1)----获取ID
2023-11-13
LSM6DSO六轴传感器使用指南
2023-04-18
工程师笔记|NUCLEO-G474RE 开发板扩展 LSM6DSO 实现 Data Fusion 演示
2022-11-28
【虹科新品】 HK-MR430&330绝对式光纤编码器(上)
2022-11-18
【虹科新品】 HK-MR430&330绝对式光纤编码器(上)
2022-11-18
【虹科新品】 HK-MR430&330绝对式光纤编码器(上)
2022-11-18



