LMH5401
8GHz 超宽带全差动放大器
制造商:
产品信息
描述
LMH5401 是一款针对射频 (RF)、中频 (IF) 或高速直流耦合时域应用进行优化的超高性能差分放大器。此器件非常适合驱动模数转换器 (ADC) 时需要进行单端到差分 (SE-DE) 转换的直流耦合或交流耦合应用。 LMH5401 在 SE-DE 或差分到差分 (DE-DE) 模式下工作时产生的二次谐波和三次谐波失真非常低。
此放大器针对 SE-DE 和 DE-DE 系统进行了优化。 该器件可提供从直流到 2GHz 的空前可用带宽范围。 LMH5401 可应用于各类应用(例如测试和测量、宽带通信和高速数据采集)中信号链的 SE-DE 转换,无需使用外部平衡-非平衡变压器。
该器件提供了共模参考输入引脚,以便使放大器输出共模符合 ADC 输入要求。 可选电源范围介于 3.3V 和 5.0V 之间,并且可根据应用要求支持双电源供电。 掉电功能还可实现节能。
使用 5.0V 电源且达到 275mW 超低功耗时才能实现这一性能等级。 该器件采用德州仪器 (TI) 先进的互补 BiCMOS 工艺制成,并且采用节省空间的 UQFN-14 封装以实现更高的性能。
特性
增益带宽产品 (GBP):8GHz
出色的线性性能:
直流到 2GHz,G = 12dB
转换率:17,500V/μs
二次谐波失真 (HD2) 和三次谐波失真 (HD3) 较低
(1 VPP,200Ω,DE-DE,G = 12dB):
100MHz:HD2 为 –104dBc,HD3 为 –96dBc
200MHz:HD2 为 –95dBc,HD3 为 –92dBc
500MHz:HD2 为 –80dBc,HD3 为 –77dBc
1GHz:HD2 为 –64dBc,HD3 为 –58dBc
二阶互调失真 (IMD2) 和三阶互调失真 (IMD3) 较低
(2 VPP,200Ω,DE-DE,G = 12dB):
200MHz:IMD2 为 –96dBc,IMD3 为 –95dBc
500MHz:IMD2 为 –80dBc,IMD3 为 –83dBc
1GHz:IMD2 为 –70dBc,IMD3 为 –63dBc
输入电压噪声:1.25 nV/√Hz
输入电流噪声:3.5pA/√Hz
支持单电源和双电源供电
功耗:55mA
掉电功能
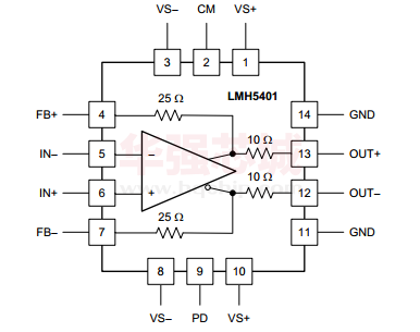
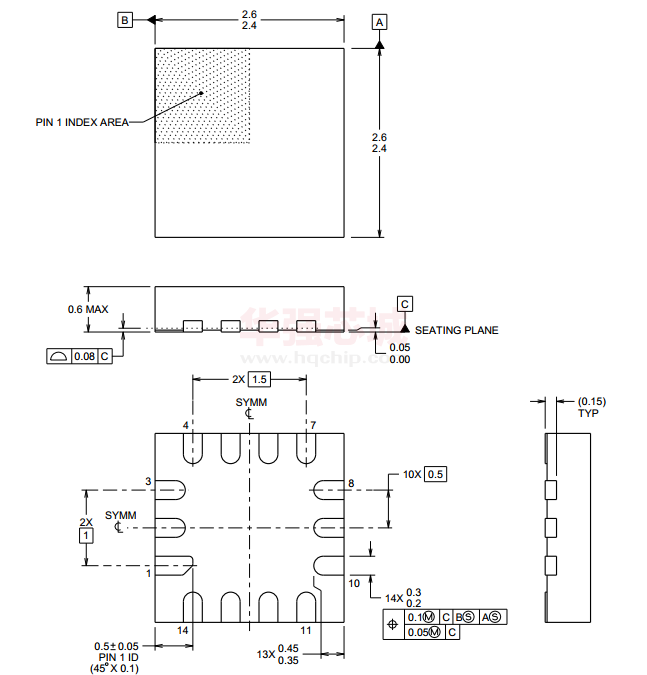
电路图、引脚图和封装图
应用案例
深度解析:SM5401S/SM5401/SM5402移动电源SOC如何优化效率与安全?
2025-06-07
解析LMH6723/LMH6724:高性能电流反馈运算放大器的卓越之选
2026-02-06
LMH13000 高速输出电流驱动器技术手册
2025-03-15
高速模拟交叉点开关LMH6580/LMH6581的深度解析
2026-01-15
高性能射频功率检测:LMH2110的特性与应用解析
2026-01-14
LMH6523 具有快速断电模式的高性能四通道 DVGA技术手册
2025-04-30
LMH5401 8GHz、超宽带、全差动放大器技术手册
2025-04-28
德州仪器SDI串行器:LMH0040、LMH0050、
2025-12-26



