LM6211-MIL
Low Noise, RRO Operational Amplifier with CMOS Input and 24V Operation
制造商:TI
产品信息
The LM6211 is a wide bandwidth, low noise op amp with a wide supply voltage range and a low input bias current. The LM6211 operates with a single supply voltage of 5V to 24V, is unity gain stable, has a ground-sensing CMOS input stage, and offers rail-to-rail output swing.
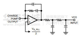
The LM6211 is designed to provide optimal performance in high voltage, low noise systems. The LM6211 has a unity gain bandwidth of 20 MHz and an input referred voltage noise density of 5.5 nV/√Hz at 10 kHz. The LM6211 achieves these specifications with a low supply current of only 1 mA. The LM6211 has a low input bias current of 2.3 pA, an output short circuit current of 25 mA and a slew rate of 5.6 V/us. The LM6211 also features a low common-mode input capacitance of 5.5 pF which makes it ideal for use in wide bandwidth and high gain circuits. The LM6211 is well suited for low noise applications that require an op amp with very low input bias currents and a large output voltage swing, like active loop-filters for wide-band PLLs. A low total harmonic distortion, 0.01% at 1 kHz with loads as high as 600Ω, also makes the LM6211 ideal for high fidelity audio and microphone amplifiers.
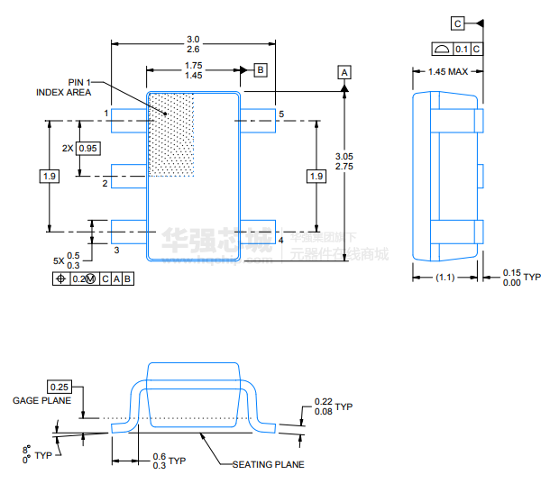
The LM6211 is available in the small SOT-23 package, allowing the user to implement ultra-small and cost effective board layouts.
优势特点
(Typical 24V Supply Unless Otherwise Noted)
Supply Voltage Range 5V to 24V
Input Referred Voltage Noise 5.5 nV/√Hz
Unity Gain Bandwidth 20 MHz
1/f Corner Frequency 400 Hz
Slew Rate 5.6 V/μs
Supply Current 1.05 mA
Low Input Capacitance 5.5 pF
Temperature Range -40°C to 125°C
Total Harmonic Distortion 0.01% @ 1 kHz, 600Ω
Output Short Circuit Current 25 mA
规格参数

电路图、引脚图和封装图
在线购买
型号:LM6211MDC
描述:-



