LF398-N
单片采样和保持电路
制造商:TI
产品信息
The LF298 and LFx98x devices are monolithic sample-and-hold circuits that use BI-FET technology to obtain ultrahigh DC accuracy with fast acquisition of signal and low droop rate. Operating as a unity-gain follower, DC gain accuracy is 0.002% typical and acquisition time is as low as 6 µs to 0.01%. A bipolar input stage is used to achieve low offset voltage and wide bandwidth. Input offset adjust is accomplished with a single pin and does not degrade input offset drift. The wide bandwidth allows the LF198-N to be included inside the feedback loop of 1-MHz operational amplifiers without having stability problems. Input impedance of 1010 Ω allows high-source impedances to be used without degrading accuracy.
P-channel junction FETs are combined with bipolar devices in the output amplifier to give droop rates as low as 5 mV/min with a 1-µF hold capacitor. The JFETs have much lower noise than MOS devices used in previous designs and do not exhibit high temperature instabilities. The overall design ensures no feedthrough from input to output in the hold mode, even for input signals equal to the supply voltages.
Logic inputs on the LF198-N are fully differential with low input current, allowing for direct connection to TTL, PMOS, and CMOS. Differential threshold is
1.4 V. The LF198-N will operate from ±5-V to ±18-V supplies.
An A version is available with tightened electrical specifications.
优势特点
Operates from ±5-V to ±18-V Supplies
Less than 10-µs Acquisition Time
Logic Input Compatible With TTL, PMOS, CMOS
0.5-mV Typical Hold Step at Ch = 0.01 µF
Low Input Offset
0.002% Gain Accuracy
Low Output Noise in Hold Mode
Input Characteristics Do Not Change During Hold Mode
High Supply Rejection Ratio in Sample or Hold
Wide Bandwidth
Space Qualified, JM38510
规格参数




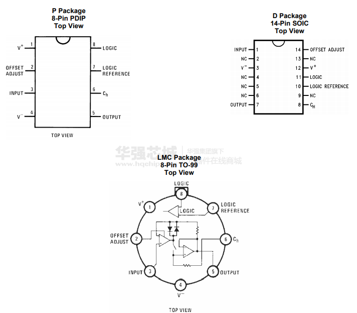
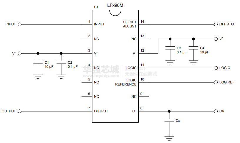
电路图、引脚图和封装图
在线购买
型号:LF398N/NOPB
描述:-
型号:LF398M
描述:-
型号:LF398AN/NOPB
描述:-
型号:LF398M/NOPB
描述:-
型号:LF398MX/NOPB
描述:-
型号:
描述:-




