LESDA6V1LT1G
LRC的ESD二极管,LESDA5V3LT1G是一种双单片电压抑制器
制造商:
产品信息
LESDA5V3LT1G是一种双单片电压抑制器,用于保护与数据和传输线路相连的部件免受静电干扰。它把电压钳位在逻辑电平电源的正上方,把二极管的电压钳位在地下以获得负电平。它也可以通过仅连接引脚1和2作为双向抑制器工作。
可用于:电脑
打印机,通信系统
优势特点
2单相通道
低漏电流:在VBR下IR最大值<20μA
300W峰值脉冲功率(8/20μs)
高ESD保护水平:高达25kV
适用于高密度板
S前缀,用于汽车和其他需要特殊站点和控制更改要求的应用程序;
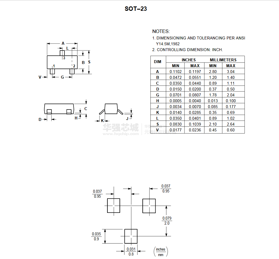
规格参数

在线购买
型号:LESDA6V1LT1G
描述:-
应用案例
SD12T1G 国产静电ESD防护器件品牌 东沃DOWO
2023-03-03
TVS管 NUP2105LT1G CAN总线用ESD保护抑制器
2022-09-09
PESD5V0S1BA静电放电二极管 SOD-323 5V
2022-04-19
Texas Instruments ESD652/ESD652-Q1 2025-08-01
什么是esd?esd的危害有哪些
2024-02-16
SD12T1G 国产静电ESD防护器件品牌 东沃DOWO
2023-03-03
PESD12VL1BA 双向ESD二极管品牌 东沃DOWO
2023-03-02
ESD二极管 ESD36VD5B 品牌厂家 东沃电子
2023-02-14


