LC898240
High Efficient Stepper Motor Controller
制造商:ON
产品信息
The LC898240 is a current controller IC for a stepper motor, co-working with a conventional driver. It provides additional functions to a stepper motor control system. The drive current of a motor coil is adopted for the motor load, so that minimize the waste of power. By this current control, the stepper motor moves smoothly. And, it gives higher efficiency power consumption, lower acoustic noise, lower vibration and lower heat generation.
The LC898240 also provides speed acceleration profile control function and step-out detection/prevention. These functions can be configured by the registers through an SPI serial port interface flexibly. The preset parameters and configuration can be stored to the companion non-volatile memory.
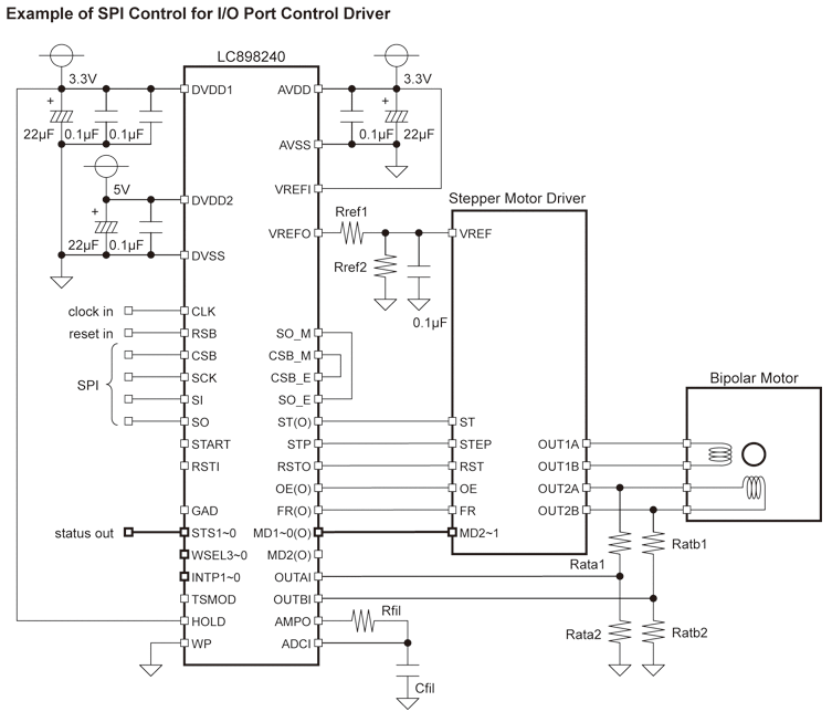
The LC898240 consists of the monitor inputs from motor terminal, serial port inter face, the step control signal inputs from a microprocessor and the outputs to a stepper motor driver. The topology of a microprocessor, a stepper motor driver and LC898240, can be arranged to match various drivers and system architecture. Thus, it can be used as an interface converter between a microprocessor and a driver with the advanced control functions.
The LC898240 also provides speed acceleration profile control function and step-out detection/prevention. These functions can be configured by the registers through an SPI serial port interface flexibly. The preset parameters and configuration can be stored to the companion non-volatile memory.
The LC898240 consists of the monitor inputs from motor terminal, serial port inter face, the step control signal inputs from a microprocessor and the outputs to a stepper motor driver. The topology of a microprocessor, a stepper motor driver and LC898240, can be arranged to match various drivers and system architecture. Thus, it can be used as an interface converter between a microprocessor and a driver with the advanced control functions.
- Support unipolar and bipolar motor
- Support excitation mode : Full step, Half step, 1/4 step, 1/8 step, 1/16 step
- Built-in smooth current control
- Motor drive is possible by the terminal control and SPI control
- Built-in acceleration control with nine types: 440 step x 9

