LC786820E
Compressed Audio Signal Processor IC with USB Host Controller
制造商:ON
产品信息
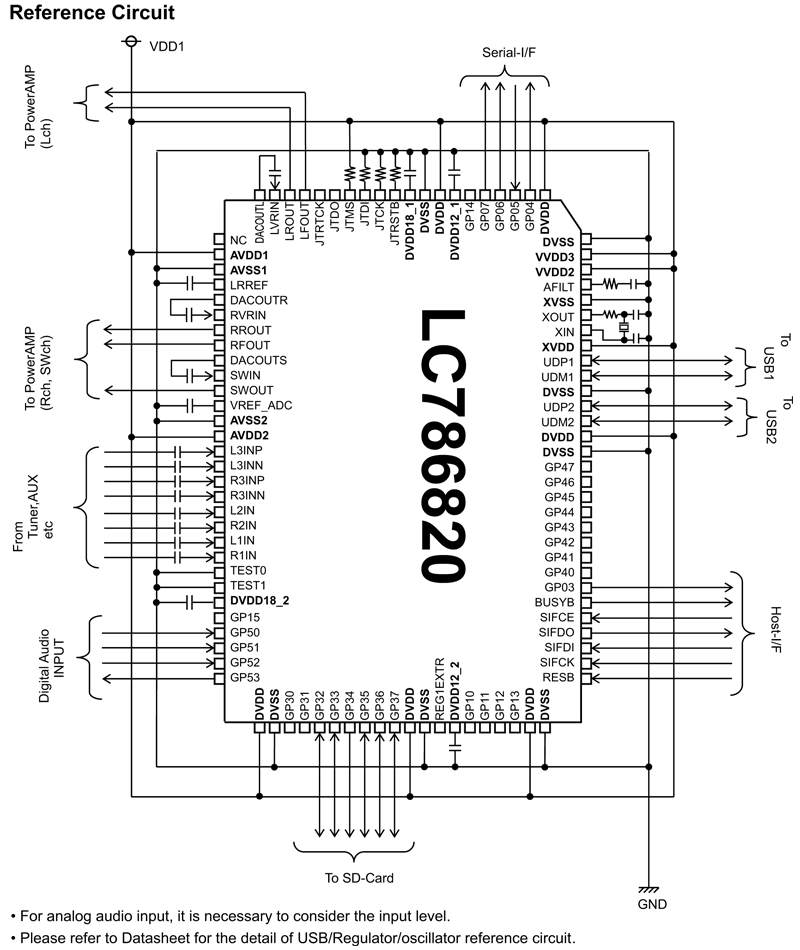
The LC786820E integrates ARM7TDMI-S™, USB host processing, SD memory card host processing, compressed audio decode processing, audio signal processing and a flash memory which stores the program for ARM7TDMI-S™ and the various data. The sophisticated programs in the flash memory for the USB host processing for the SD memory card processing or audio signal processing etc. make the process of external main microcontroller easier and very helpful to develop a much features/high performance audio player system.
- USB host/device function (Full speed : 12M bps),SD memory card host function
- MP3, WMA, AAC, FLAC decoder processing function
- Audio input functions such as Analog (stereo-3 ch) / digital 3-ch input (Sampling rate convertible)
- Audio processing functions such as 20 bands equalizer (stereo 1-ch), subwoofer processing, high-frequency range extendable filter and etc.
- Audio output functions such as Electronical Volume output 5-ch (for LF, LR, RF, RR, SW), or DAC output 3-ch (Lch, Rch, SW)
- Integrated regulator for internal circuit
- ARM7TDMI-S™ as internal CPU core, flash memory for program and various data storage
- Operational voltage source : 3.3 V single power supply
- Operational temperature : -40 to +85°C
电路图、引脚图和封装图
在线购买
型号:LC786820E
描述:-
技术资料
应用案例
模拟电源处的滤波经常是用LC电路,但是为什么有时LC比RC滤波效果差?
2023-11-24
为什么LC振荡器中LC回路一般都工作在失谐状态?
2023-10-20
lc振荡电路和lc谐振电路有什么区别?lc振荡电路的原理及特点详解
2018-07-19
LC滤波电路分析,LC滤波电路原理及其时间常数的计算
2017-05-04
lc振荡电路分析_lc振荡电路工作原理及特点分析
2018-01-23
LC谐振频率计算公式 LC串联和并联谐振频率计算
2016-10-10
lc振荡电路频率怎么计算_lc振荡电路频率计算(计算公式)
2018-01-23
lc正弦波振荡电路详解_LC正弦波振荡电路振荡的判断方法
2018-01-23

