LC709501F
Power Bank Controller with USB Type-C & Quick Charge™ 3.0 for 1-Cell Li-Ion and Li-Poly Battery
制造商:ON
产品信息
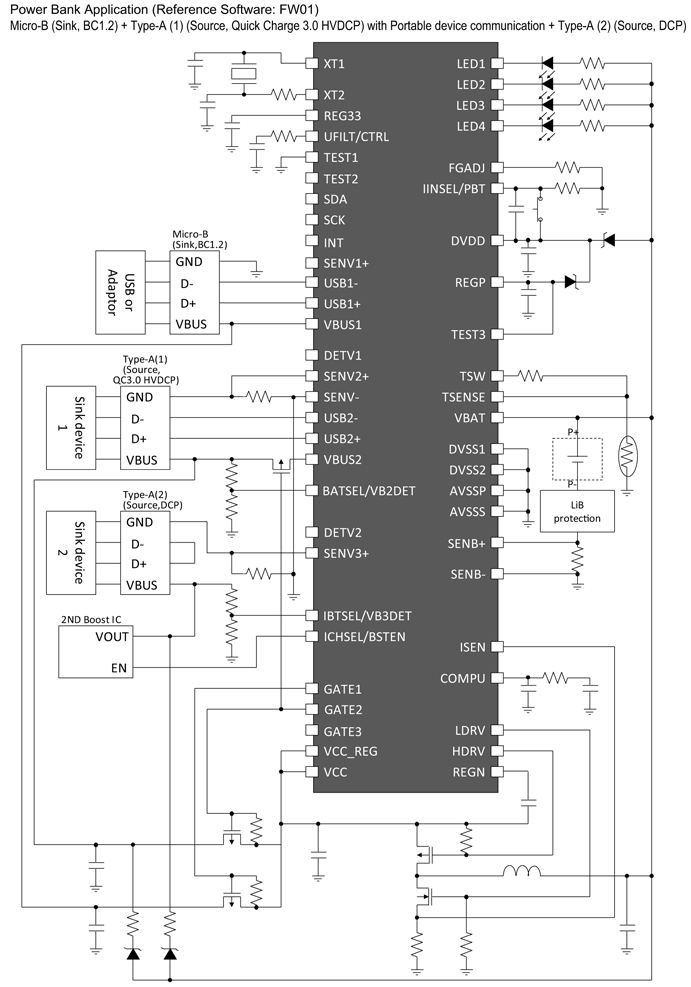
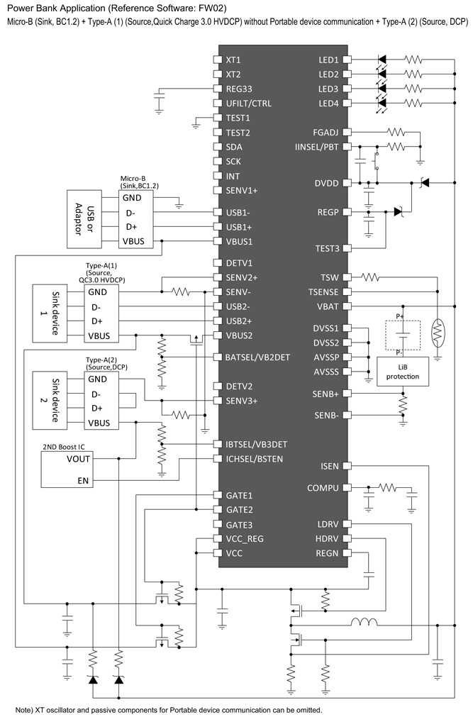
LC709501F is a Lithium ion switching charger controller for Power Bank. This device has all functions to control Power Bank application. It can control Type-C port control IC and includes Quick Charge 3.0 HVDCP. The built-in switching controller can output from 5 V up to 12 V for Quick Charge. The high power output for USB Type-C and Quick Charge is possible with appropriate external MOSFETs.
- Supports USB type-C DRP with Port control IC
- Supports Quick Charge 3.0 HVDCP Class A. 5 V up to 12 V
- Portable device communication Displays Power Bank battery information on smartphones
- (USB 2.0 Full Speed Host Controller) (Planning)
- Buck charge / Boost charge
- Low quiescent current : 15 µA at Low power mode
- Supports 5 V up to 12 V operation
- Easy power scaling with external MOSFETs
- Automatic USB detection
- Prepared firmware supports various combination of USB port
- Supports USB BC1.2
- Battery level gauging
- Status & Battery level display with 4 LEDs
- Boost auto start-up
- Over voltage / Over current detection
- JEITA compliance Battery management
- Safety timer
电路图、引脚图和封装图
在线购买
型号:LC709501FQD-A00TXG
描述:-
技术资料
Flash Writing System SKK/SKK-DBG/FWS/FWS-X16DI Program Installer : Ver.2.01
Power Bank Controller with USB Type-C & Quick Charge(TM) 3.0 for 1-Cell Li-Ion and Li-Poly Battery
Power Bank Application (Reference Software : FW01) Micro-B + Type-A(1) with PDC + Type-A(2)
Power Bank Application (Reference Software : FW02) Micro-B + Type-A(1) without PDC + Type-A(2)
Power Bank Application (Reference Software : FW05) Type-C + Type-A




