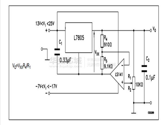
L7805CV
l7805cv是输出电压为4.75-5.25V,静态电流为4.2-8mA的正电压稳压器。
制造商:
产品信息
l7805cv是一个三端稳压器,78开头的代表正电压稳压,与之相对应的79开头的则是是负电压稳压,05代表输出电压的伏数,因此 l7805cv是正5V的三端稳压器,一般的78L05,78M05,LT7805都可以直接代换。总的来说l7805cv是输出电压为4.75-5.25V,静态电流为4.2-8mA的正电压三端稳压器。
输出电压:4.75-5.25V;
最大输入电压:35V;
静态电流:4.2-8mA;
输出噪音电压:40uV;
纹波抑制比:78dB;
输出电阻:17mΩ;
输出电压温度系数-1.1mV/°C;(注:L7805CV与7805相通)
优势特点
输出电流可达1.5A
不需外接补偿元件
内含限流保护电流,防止负载短路烧毁元件
内含高温过热保护电路,防止结温过热烧毁器件
内含功耗限制电路,防止烧毁输出驱动器晶体管
规格参数





