L7805
正电压稳压器
制造商:
产品信息
描述:
三端稳压集成电路lm7805。电子产品中,常见的三端稳压集成电路有正电压输出的lm78 ×× 系列和负电压输出的lm79××系列。顾名思义,三端IC是指这种稳压用的集成电路,只有三条引脚输出,分别是输入端、接地端和输出端。它的样子象是普通的三极管,TO- 220 的标准封装,也有lm9013样子的TO-92封装。用lm78/lm79系列三端稳压IC来组成稳压电源所需的外围元件极少,电路内部还有过流、过热及调整管的保护电路,使用起来可靠、方便,而且价格便宜。该系列集成稳压IC型号中的lm78或lm79后面的数字代表该三端集成稳压电路的输出电压,如lm7806表示输出电压为正6V,lm7909表示输出电压为负9V。因为三端固定集成稳压电路的使用方便,电子制作中经常采用。
优势特点
特点:输出电流为1.5 A
5输出电压; 6 ; 8 ; 8.5 ; 9 ; 12 ; 15 ; 18 ;24 V
热过载保护
短路保护
输出转换SOA保护
规格参数
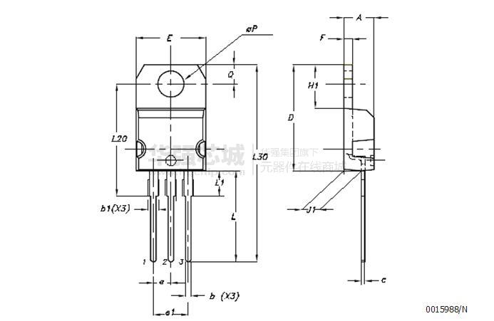
L7805,采用TO-220封装方式。
压降:2V
输出数:1
针脚数:3
封装类型:TO-220
工作温度范围:0°C to +150°C
器件标号:7805
器件标记:L7805CV
容差, 工作电压 +:4%
电压整流器类型:正固定
电源电压 最大:20V
电源电压 最小:8V
芯片标号:7805
表面安装器件:通孔安装
输入电压 最大:35V
输入电压 最小:7V
输出电压 最大:5V
输出电流 最大:1.5A
电压:5V
输出电压:5V
电路图、引脚图和封装图
在线购买
型号:L7805VC
描述:-
型号:L7805CD2T-TR 编带
描述:-
型号:L7805ACD2T-TR 编带
描述:-
型号:L7805ABV 管装
描述:-
型号:L7805CV 厚散热片 管装
描述:-
型号:L7805CV (THIN)
描述:-








