L297
步进马达控制器
制造商:
产品信息
描述
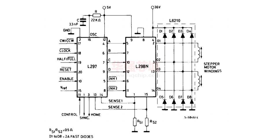
L297是步进电机专用控制器,它能产生4相控制信号, 可用于计算机控制的两相双极和四相单相步进电机,能够用单四拍、双四拍、四相八拍方式 控制步进电机。芯片内的PWM 斩波器电路可开关模式下调节步进电机绕组中的电机绕组中 的电流。该集成电路采用了SGS 公司的模拟/数字兼容的I2L 技术,使用5V 的电源电压, 全部信号的连接都与TFL/CMOS 或集电极开路的晶体管兼容。

元器件型号、描述、参数
步进马达控制器
制造商:
描述
L297是步进电机专用控制器,它能产生4相控制信号, 可用于计算机控制的两相双极和四相单相步进电机,能够用单四拍、双四拍、四相八拍方式 控制步进电机。芯片内的PWM 斩波器电路可开关模式下调节步进电机绕组中的电机绕组中 的电流。该集成电路采用了SGS 公司的模拟/数字兼容的I2L 技术,使用5V 的电源电压, 全部信号的连接都与TFL/CMOS 或集电极开路的晶体管兼容。