IDC5Q
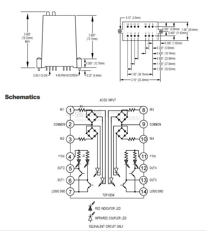
Quad Pak modules contain the equivalent of four singlechannel I/O circuits in a single high-density package.
制造商:
产品信息
Quad Pak modules contain the equivalent of four singlechannel I/O circuits in a single high-density package. Each Quad Pak module can be divided into two pairs with each pair sharing a common connection. The Quad Pak modules are designed to plug into the Quad Pak high-density I/O mounting racks only and cannot be plugged into single-channel racks. Quad Pak modules are designed to work with a 5 VDC logic voltage only and can be used with Optomux, Pamux, and Mistic protocol brain boards and mounting racks, as well as racks using a direct cable connection to a computer.
DC input modules are used for sensing ON/OFF DC voltage levels. All DC input modules, with the exception of the IDC5BQ, are designed with filtering on the input and a hysteresis amplifier for high noise rejection and transient-free “clean” switching. The IDC5BQ module is a fast-switching input module for signals produced by photoelectric switches, encoders, DC proximity switches, or TTL devices. Each module provides up to 4,000 Vrms of optical isolation between field inputs and the logic side of the circuit
优势特点
absence of voltage or sensing contact closures from sources such as:
• Proximity switches
• Limit switches
• Selector switches
• Push button and toggle switches
• Photoelectric switches
• TTL-compatible devices
规格参数


