HMC996
模拟可变增益放大器,采用SMT封装,5 - 12 GHz
制造商:ADI/AD
产品信息
优势和特点
宽增益控制范围: 22 dB
单控制电压: -1至-4.5V
最大增益下的输出IP3: +34 dBm
输出P1dB: +22 dBm
无需外部匹配
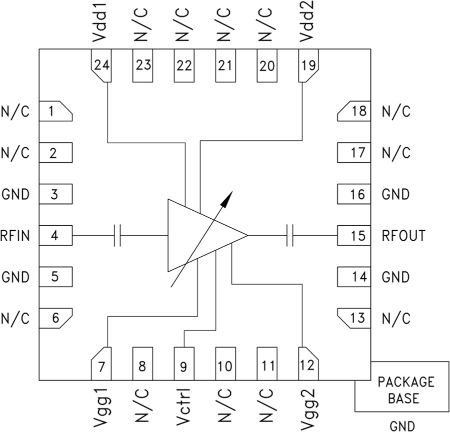
24引脚4x4 mm SMT封装: 16 mm²
产品详情
HMC996LP4E是一款GaAs PHEMT MMIC模拟可变增益放大器和/或驱动器放大器,工作频率范围为5至12 GHz。 该放大器提供高达18.5 dB增益、高达+23 dBm P1dB以及高达+34 dBm输出IP3(最大增益),采用+5V电源供电时功耗仅为170 mA,非常适合微波无线电应用。 另外还提供增益控制电压引脚(Vctrl),支持高达22 dB可变增益控制。 出色的增益平坦度使得HMC996LP4E适合于EW、ECM和雷达应用。 HMC996LP4E采用符合RoHS标准的4 x 4 mm QFN无引脚封装,兼容大规模表贴制造技术。
应用
点对点无线电
点对多点无线电
EW与ECM子系统
X频段雷达
测试设备和传感器

