HMC987
3.3V低噪声1:9扇出缓冲器,DC - 8 GHz
制造商:ADI/AD
产品信息
优势和特点
超低噪底: -166 dBc/Hz(2 GHz)
LVPECL、LVDS、CML和CMOS兼容输入
最多8路差分或16路单端LVPECL输出
一路可调功率CML/RF输出
串行或并行控制、硬件芯片使能
关断电流:< 1 uA
32引脚5x5 mm SMT封装25 mm²
产品详情
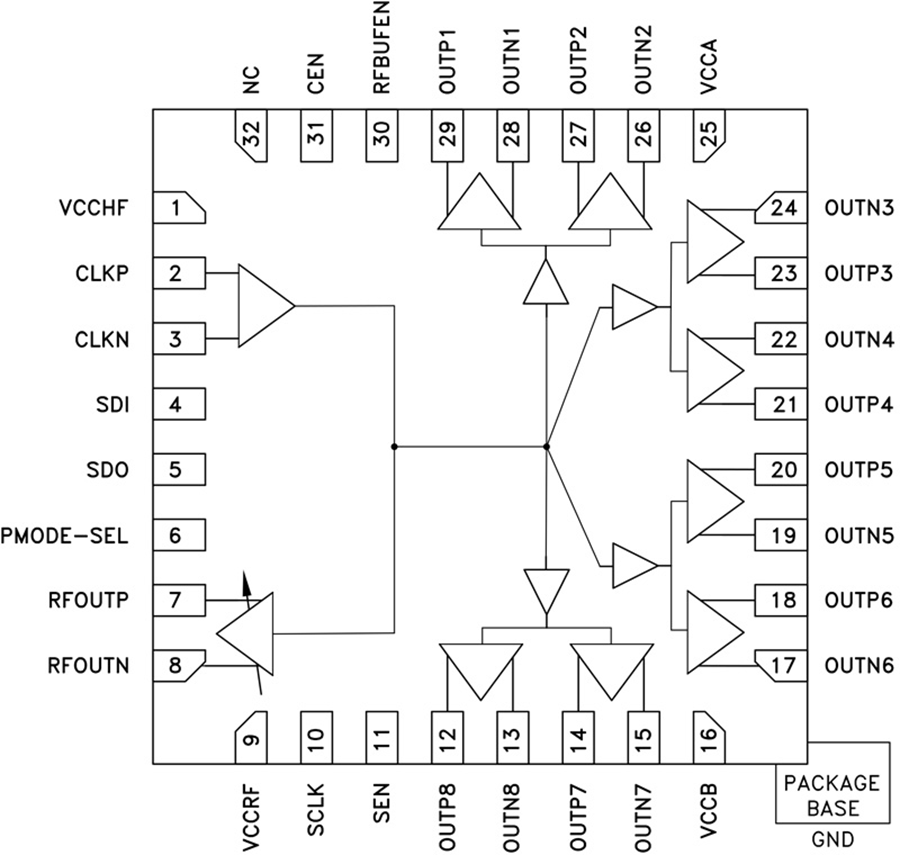
HMC987LP5E 1:9扇出缓冲器设计用于低噪声时钟分配。 该器件旨在生成上升/下降时间小于100 ps的相对方波输出。 HMC987LP5E具有低偏斜和抖动输出以及快速上升/下降时间,从而可以控制混频器、ADC/DAC或SERDES器件等下游电路的低噪声开关功能。 这些应用中,当时钟网络带宽足够宽并允许方波切换时,噪底尤为重要。 HMC987LP5E的输出以2 GHz驱动,其噪底为-166 dBc/Hz,相当于0.6 asec/rtHz抖动密度,或8 GHz带宽内的50 fs。
输入级可单端或差分驱动,可采用多种信号格式(CML、LVDS、LVPECL或CMOS),以及交流或直流耦合。 输入级同样具有可调输入阻抗。 该器件集成带有可调摆幅/功率电平的8路LVPECL输出和1路CML输出,步进为3 dB。
各输出级可以通过硬件控制引脚或串行端口接口的控制使能或禁用,以便在不需要时节省电能。
应用
SONET、光纤通道、GigE时钟分配
ADC/DAC时钟分配
低偏斜和抖动时钟或数据扇出
无线/有线通信
电平转换
高性能仪器仪表
医疗成像
单端至差分转换

