HMC967
I/Q下变频器,采用SMT封装,21 - 24 GHz
制造商:ADI/AD
产品信息
优势和特点
转换增益: 15 dB
镜像抑制: 25 dBc
2 LO至RF隔离: 40 dB
噪声系数: 2.5 dB
输入IP3: 1 dBm
24引脚4x4mm QFN封装: 16mm²
产品详情
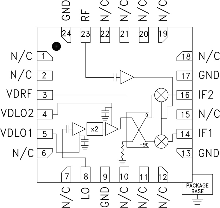
HMC967LP4E是一款紧凑型GaAs MMIC I/Q下变频器,采用符合RoHS标准的无引脚SMT封装。 该器件提供15 dB的小信号转换增益、2.5 dB的噪声系数,并在频段范围内提供25 dBc的镜像抑制性能。 HMC967LP4E采用LNA,后接由有源x2倍频器驱动的镜像抑制混频器。 该镜像抑制混频器使得LNA之后无需使用滤波器,并可消除镜像频率下的热噪声。 它具有I和Q混频器输出,所需外部90°混合型器件用于选择所需边带。 HMC967LP4E是混合型镜像抑制混频器下变频器组件的小型替代器件,兼容表贴制造技术。
应用
点对点和点对多点无线电
军用雷达、EW和ELINT
卫星通信
电路图、引脚图和封装图
应用案例
HMC773A通用型双平衡混频器
2022-11-08
探索HMC591LP5/HMC591LP5E:6.0 - 9.5 GHz GaAs PHEM
2026-01-04
探索HMC462LP5/HMC462LP5E:2 - 20 GHz宽带低噪声放大器
2026-01-04
探索HMC454ST89/HMC454ST89E:高性能InGaP HBT放大器的卓越表现
2026-01-04
HMC415LP3E功率放大器特性介绍
2023-06-27
HMC544AETR低成本SPDT交换机应用介绍
2023-05-31
HMC742ALP5E数控VGA
2022-05-06
HMC-ALH369低噪音放大器
2022-04-19

