HMC966
I/Q下变频器,采用SMT封装,17 - 20 GHz
制造商:ADI/AD
产品信息
优势和特点
转换增益: 14 dB
镜像抑制: 40 dBc
2 LO至RF隔离: 40 dB
噪声系数: 2.5 dB
输入IP3: 0 dBm
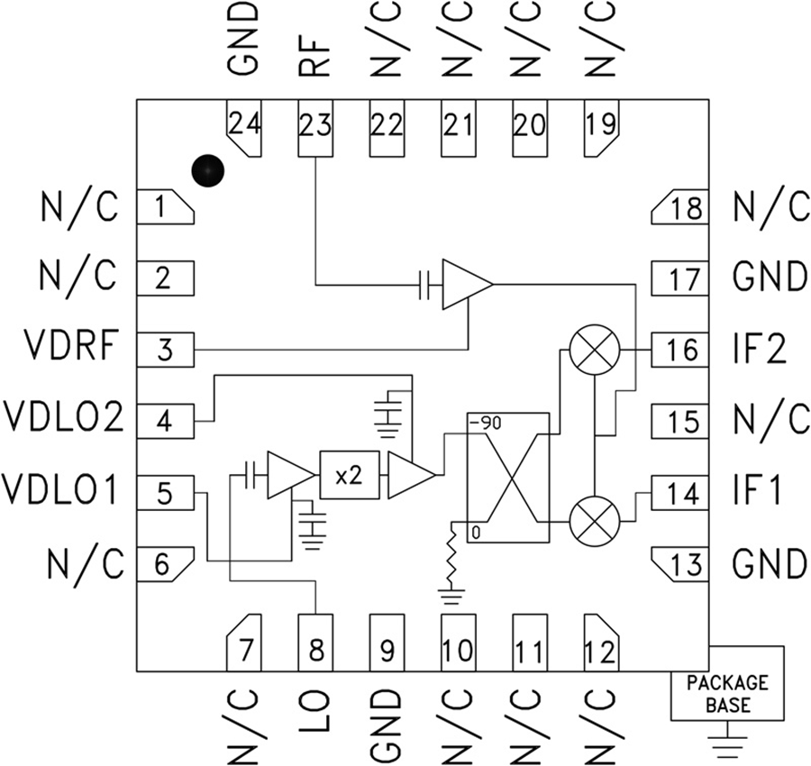
24引脚4x4mm QFN封装: 16mm²
产品详情
HMC966LP4E是一款紧凑型GaAs MMIC I/Q下变频器,采用符合RoHS标准的无引脚SMT封装。 该器件提供12 dB的小信号转换增益、2.5 dB的噪声系数,并在频段范围内提供40 dBc的镜像抑制性能。 HMC966LP4E采用LNA,后接由有源x2倍频器驱动的镜像抑制混频器。 该镜像抑制混频器使得LNA之后无需使用滤波器,并可消除镜像频率下的热噪声。 它具有I和Q混频器输出,所需外部90°混合型器件用于选择所需边带。 HMC966LP4E是混合型镜像抑制混频器下变频器组件的小型替代器件,兼容表贴制造技术。
应用
点对点和点对多点无线电
军用雷达、EW和ELINT
卫星通信

