HMC960
集成驱动器的DC - 100 MHz双通道数字可变增益放大器,采用SMT封装
制造商:ADI/AD
产品信息
优势和特点
低噪声: 6 dB NF
高线性度: 输出IP3 +30 dBm
可变增益: 0至40 dB
高带宽: DC至100 MHz
精确增益精度: 0.5 dB增益步进
出色的幅度和相位响应
外部控制共模输出电平
并行或串行增益控制
读/写串行端口接口(SPI)
24引脚4x4 mm SMT封装16 mm²
可编程输入阻抗(400Ω差分或100Ω差分)
产品详情
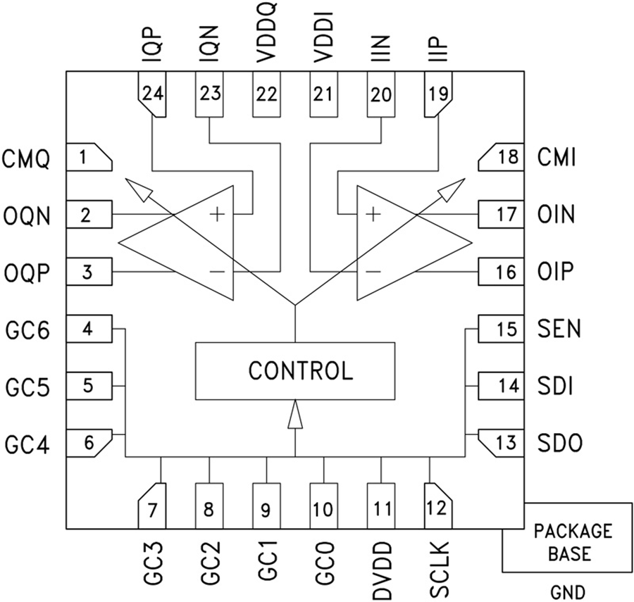
HMC960LP4E是一款数字可编程双通道可变增益放大器。 该器件支持0到40 dB分立式增益步进,步长为精确的0.5 dB。 该器件采用无毛刺架构,具有出色的平滑增益跃迁性能。 器件的匹配增益路径提供宽信号带宽内出色的正交平衡。
HMC960LP4E提供SPI可编程输入阻抗(默认为100Ω差分或400Ω差分)。
HMC960LP4E的外部控制共模输出特性使其具有灵活的输出接口,能与信号路径上的其他器件对接。 通过并行接口(GC[6:0])或读/写串行端口(SPI),可控制增益。
HMC960LP4E采用紧凑型4x4mm (LP4) SMT QFN封装,只需极少的外部元件,为更复杂的开关放大器架构提供了一种低成本替代解决方案。
应用
基带I/Q收发机
直接变频和低中频收发机
分集接收机
ADC驱动器
自适应增益控制
电路图、引脚图和封装图
应用案例
hmc5883l三轴电子罗盘传感器连接arduino
2018-03-08
Han® ES Press HMC连接器能够无需工具即可进行快速安装
2018-12-06
基于HMC792LP4E的DC-6GHz数字衰减设计方案
2010-04-13
HMC1512带温度补偿的位置检测电路
2011-12-17
磁阻传感器HMC102在车辆检测中的应用
2011-12-20
ADI推出高度集成Rx/Tx转换器HMC8100和HMC8200了解一下
2018-05-23
HMC960LP4E集成驱动器的DC -100 MHz双通道数字可变增益放大器技术手册
2025-04-19
基于AT91RM9200和HMC1022芯片实现智能交通车辆检测系统的设计
2020-11-01

